Существует много народных примет позволяющих определить, какая погода установиться на завтра. Приведем лишь некоторые из них:
Погода завтра улучшится – 1) если утром появятся кучевые облака, которые к вечеру исчезнут; 2) если вечером после ненастья выглянет солнце и в западной части неба не будет облаков; 3) если дым от костра или печных труб поднимается вверх столбом; 4) если кучевые облака движутся по небу в том же направлении, что и ветер у земли; 5) если ночью тихо и прохладно, а луна садится при чистом небе. Погода завтра ухудшится – 1) если ветер к вечеру не стихнет, а усилится; 2) если утром появятся кучевые облака, которые к полудню примут форму высоких башен или гор; 3) если на небе одновременно видны облака всех типов: кучевые, «барашки», перистые и волнистые; 4) если дым от костра или из печных труб стелется по земле.
Если же вы были дома и не наблюдали, что происходило за окном вчера вечером, для предсказания погоды вам может пригодиться — барометр.

Можно пользоваться подсказками природы, а можно и попытаться изготовить барометр своими руками. Далее мы приведем несколько способов изготовления простых барометров, найденных при изучении журналов «Левша» и приложения «Для умелых рук» к журналу «Юный техник».
чПКФЙ ОБ УБКФ
Напряжение питания 1. Интерфейс подключения I2C. Точность до 0. Введите электронную почту и получайте письма с новыми самоделками.
Не более одного письма в день. Войти Чужой компьютер. В гостях у Самоделкина! Цифровой барометр BMP для Arduino. Подробнее на Aliexpress. Доставка новых самоделок на почту Получайте на почту подборку новых самоделок. Никакого спама, только полезные идеи! Подходит к самоделке. Цена: Ультразвуковой дальномер на Arduino AliExpress. Похожие самоделки. Домашняя метеостанция на базе Ардуино. Bluetooth-метеостанция для начинающих с помощью Arduino.
Очень точный ультразвуковой дальномер. Цветовая палитра с функцией рандом на Arduino. Популярные самоделки. Миниатюрная и простая катушка Тесла своими руками.
Многофункциональное гибочное приспособление с четырьмя радиусами из тормозного диска. Большой, отдельно стоящий погреб. Добавить комментарий. Привет, Гость! Зарегистрируйтесь Или войдите на сайт, если уже зарегистрированы Войти Добавьте самоделку Добавьте тему. Онлайн чат Открыть чат.
Последние комментарии Все комментарии. Самые комментируемые. Делаем из бензинового авто — электромобиль. Фильтр сетевой наводки 50 Гц. Новые самоделки на почту.
Еловый барометр
Издавна охотники Сибири знают, что ветки хвойных деревьев имеют свойство опускаться перед осадками и пониматься в преддверии солнечной ясной погоды. Даже сухие еловые ветки сохраняют эту особенность, поэтому из них можно делать природные барометры, которые будут показывать изменения погоды часов за 8-12 до перемен.
Для изготовления такого барометра необходим кусок ствола сухого небольшого деревца (длиной 25-30 см) вместе с веткой длиной 30-35 см. Ствол с веткой очищают от коры и прикрепляют к дощечке, которую вешают на стенку. При этом ветка должна располагаться так, чтобы при опускании-поднимании свободного конца ветки он перемещался параллельно стенке и не задевал ее. Поднятие ветки сигнализирует о ясной погоде, а опускание – к ненастью.
Создание беспроводного шилда-барометра с ESP8266. Часть I. Введение и ESP8266
BMP — очень популярные комбинированные датчики температуры и атмосферного давления для Arduino. Их можно использовать для метеостанций и для измерения высоты. В этом руководстве я покажу вам, как сделать барометр своими руками и как легко программировать Arduino для их использования с Visuino — простой в использовании графической средой разработки для Arduino. Во время записи инструкции к самодельному барометру я обнаружил, что питание 3,3 В подключать не нужно, так как модуль имеет собственный внутренний регулятор 3,3 В. Инструкция обновлена с учетом этого фактора, но на видео записано, что провод питания 3,3 В подключен — не нужно этого делать!
Простейший барометр.
Ещё один простейший барометр можно сделать из маленькой жестяной масленки с параллельными боковыми сторонами. Вам необходимо подобрать пробку, которая бы плотно закрывала единственное отверстие будущего барометра. До того как вы поставите пробку на место, в ней необходимо проделать отверстие такого диаметра, чтобы пропустить сквозь него прозрачную трубку-соломинку для коктейлей, но лучше применить стеклянную трубочку с внутренним диаметром отверстия 1,5 — 2,0 мм.
Посмотреть
Электронный барометр своими руками
Барометр из сосновой шишки.
Дерево, кожа, другие органические материалы, даже наши волосы чутко реагируют на любые изменения погодных условий – во влажном воздухе волосы становятся длиннее, кожа — мягче, а дерево меняет объем… Например, под дождем чешуйки сосновой шишки плотнее прижимаются друг к другу, а в сухую погоду, наоборот, раскрываются, отчего шишка становится ершистой.
Посмотреть
Цифровой барометр BMP180 для Arduino
Блог о женской красоте, моде, стиле и доме. Целый караван полезной и нужной для женщин информации — все это перед вами на страницах нашего блога. Современный человек с самого детства получает доступ к сложным и функциональным электронным приборам. Такая доступность техники привела к тому, что классические устройства почти не вызывают интереса и пылятся на полках в полном забытьи.
Цитата: Сообщение от Avazart А на кой писать на бейсике просветите?
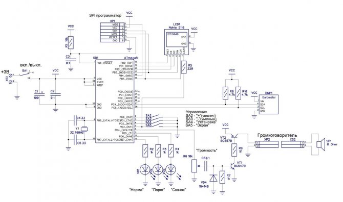
Настройка устройства.
На рисунке 8 показаны органы управления для настройки устройства. Для входа в режим нажмите кнопку «Установка». На дисплее отобразятся настраиваемые параметры. Кнопками «+» и «-» установите требуемое значение параметра. Для перехода к настройке следующего параметра нажмите кнопку «Установка». Для выхода из режима настройки нажмите несколько раз кнопку «Установка». Параметры «Верхний <�порог>», «Нижний <�порог>» «Скачок» задаются в мм рт. ст., «Интервал» измерения скачка задается в часах. .
Рисунок 8. Органы настройки устройства.
Барометр и термометр своими руками
Войти через. На AliExpress мы предлагаем тысячи разновидностей продукции всех брендов и спецификаций, на любой вкус и размер. Если вы хотите купить термометр гигрометр барометр и подобные товары, мы предлагаем вам 1, позиций на выбор, среди которых вы обязательно найдете варианты на свой вкус. Защита Покупателя. Помощь Служба поддержки Споры и жалобы Сообщить о нарушении авторских прав. Экономьте больше в приложении! Корзина 0.
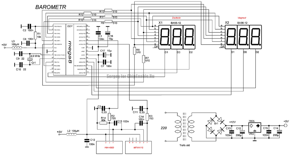
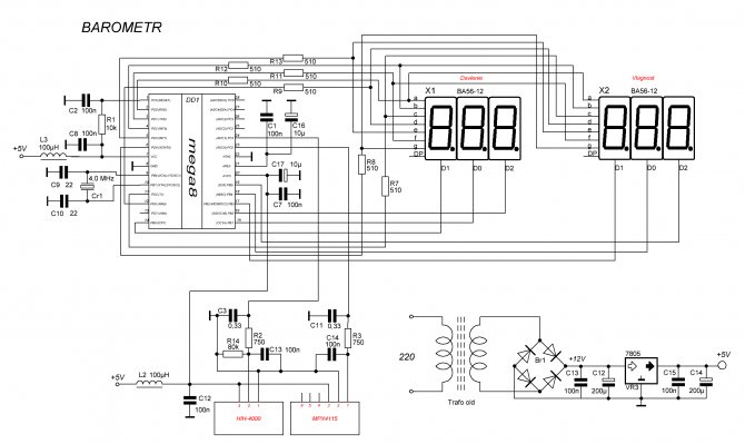
Приведена схема цифрового измерителя атмосферного давления на микроконтроллере цифровой барометр своими руками, shema.
Эксплуатация устройства.
После включения устройство готово к работе и сразу производит первое измерение атмосферного давления. При этом экран погашен, а результаты измерения отображаются с помощью светодиодных индикаторов «Норма», «Порог» или «Скачок». Индикатор, соответствующий результату измерения и анализа, производит пять коротких вспышек каждые 8 секунд. При переходе от состояния «Норма» в состояния «Порог» или «Скачок» выдается звуковой сигнал. Сигнал звучит на протяжении пяти 8 секундных интервалов, начиная с интервала, следующего за изменением состояния. Для детальной оценки текущего состояния необходимо нажать и удерживать кнопку «Экран». При этом будет отображаться информация, представленная на рисунке 9: • текущее атмосферное давление; • максимальное и минимальное значение давления, измеренного за интервал времени, указанный в настройках; • величина скачка в мм рт.ст. как разница между величинами, указанными в предыдущем пункте; • текстовая характеристика результата измерения: НОРМАЛЬНОЕ, ПОРОГ, СКАЧОК. После нажатия кнопки «Экран» серия звуковых сигналов будет прервана.
Рисунок 9. Органы управления и индикации при эксплуатации устройства.
После отпускания кнопки «Экран» дисплей погаснет, а устройство продолжит работать в штатном режиме, выводя результат измерения и анализа только на светодиодные индикаторы. Приложение: SignalBarometer2.dch Схема электрическая в формате DipTrace SignalBarometer2.dip Печатная плата в формате DipTrace SignalBarometer.hex Загрузочный файл SignalBarometer.rar Архив проекта Atmel Studio 7 на Си Удачи Вам в творчестве и всего наилучшего! Скачать архив.
Простейшая домашняя метеостанция или барометр из лампочки для развития наблюдательности у детей
Барометр чутко отслеживают третий, важнейший показатель микроклимата — давление, наряду с температурой и влажностью. Барометры входят в обязательный комплект метеорологического оборудования, и в домашних условиях для измерения давления встречается все чаще наряду с гигрометром , метеостанцией и термометром. Колоссальный воздушный океан, на дне которого мы живем, вглубь которого, точнее ввысь поднимаются только самолеты, а полностью освобождаются от воздействия атмосферы только космонавты, оказывает решающее значение буквально на все процессы в природе и жизнедеятельность человечества — от ураганов и проливных дождей до самочувствия пенсионеров. Желание купить барометр это не только дань моде и стилю, хотя современный барометр настенный отличается изысканными формами, дорогим оформлением и стилем. Барометры позволят принять ряд верных решений, связанных с работой, отдыхом и в буквальном смысле стоят на страже здоровья.
Данное устройство позволяет отображать одновременно и температуру и давление.
Барометр из ветки пихты или сосны.
Для изготовления такого барометра необходимо срезать ветку с молодой пихты или сосны. После отделить от неё отрезок длиной 10 см с растущей сбоку тоненькой длинной иголкой. Затем возьмите ровную дощечку или фанерку размером 150×100 мм и прибейте к ней заготовленный кусочек пихты так, чтобы игла могла свободно двигаться (см. рис.) – барометр готов. Только его надо отградуировать: поднесите прибор к горячей печке или плите — от тепла игла выпрямится и поднимется вверх, там, где она остановится, сделайте риску; поднесите прибор к струйке пара, вырывающейся из носика чайника – от воздействия влаги иголка опустится вниз, здесь отметьте вторую риску. Риски соедините дугой и разделите на несколько равных частей, остается сделать соответствующие надписи, как на рисунке.
Посмотреть
Погода в маленьком флаконе
Несмотря на то, что она размещена в разделе электроники, в описываемом «устройстве» нет не то, что радиодеталей, — нет даже проводов. Тем не менее, вещь эта интересна и заслуживает того, чтобы мы представили её вам. Уже сравнительно давно мы познакомились с интересным предметом. Он представлял собой герметично закрытую пробирку с жидкостью, на дне которой имелось некоторое количество кристаллов. В зависимости от предстоящей! Этот предмет называется «Штормгласс» Stormglass , что в вольном переводе означает «штормовая склянка», иными словами — стеклянный сосуд, реагирующий на погоду. История его весьма древняя, он применялся ещё в ту пору, когда механических барометров не было, и успешно показывал предстоящую погоду в виде конфигурации, если можно так выразиться, кристаллов.
Предсказатель погоды из шишки
Чтобы изготовить прибор, который будет предсказывать наступающее изменение погоды, можно воспользоваться одним из свойств природных материалов — шишек. Сделать его своими руками несложно, а процесс станет интересным как для взрослых, так и для детей.
Для изготовления прибора нужно взять две небольшие ровные деревянные дощечки и склеить между собой, таким образом, чтобы одна из них была основанием, а вторая служила боковой стенкой. На кусочке картона нужно нарисовать своеобразную шкалу с изображениями солнца и тучки.
На краю дощечки-основания крепится сухая шишка, а к одной из ее чешуек приклеивается сухая травинка. Когда воздух в природе сухой, чешуйки будут раскрыты, и травинка будет показывать на солнце. А если погода будет портиться и приближаться дождь, чешуйки закроются, а травинка покажет на тучку.
Как расшифровать информацию и пользоваться прибором
Наблюдение за конденсатом
Анализировать состояние влажности в колбе, предсказывать по ней погоду поможет следующая таблица.
| Состояние конденсата | Прогноз погоды |
| Образование мелких капель конденсата на внутренних стенках колбы. | Предстоит облачный день. Осадки не предвидятся. |
| Средней величины капли конденсата держатся на стенках. Между ними хорошо видны сухие полосы, расположенные по вертикали. | Предсказывается переменная облачность. |
| На стенках колбы держатся капли конденсата большой величины. | Ожидается кратковременная дождливая погода. |
| Крупные капли конденсата стекают со стенок. | Предстоит дождь с грозой. |
| Верхняя половина колбы барометра сухая, а снизу около воды собрались крупные капли конденсата. | Дождевой фронт пройдет на удалении, не затронув нашу территорию. |
| Стенки лампочки сухие, а на улице идет дождь. | Назавтра ждем смену погоды с хорошим солнечным небом. |
| Влажные капли конденсата сконцентрировались на северной стенке барометра. | После обеда ожидаются осадки. |
Эту таблицу можно распечатать на принтере и разместить поблизости от самодельного прибора. Помнить все эти сведения не обязательно. Дети же, когда будут вовлечены в игру по метеорологии, очень быстро станут держать всю информацию в уме.
Особенности эксплуатации
Пользоваться самодельным барометром придется только в отапливаемом помещении. При отрицательной температуре вода и конденсат просто замерзнут. Располагают его на окне либо подоконнике. Желательно, чтобы оно было установлено с северной стороны здания. Считается, что так обеспечиваются более точные показания.
Объяснить это можно только тем, что такое окно меньше подвергается нагреву солнечными лучами, работает в более холодной части дома, точнее моделирует состояние погоды на улице.
Советы по эксплуатации
- Прибор ни в коем случае нельзя устанавливать вблизи батареи.
- Его нельзя ронять, ударять, это может сказаться на точности и правдивости его показаний.
- Прибор не стоит пытаться починить самостоятельно, лучше обратиться к профессионалам.
- Нужно помнить, что атмосферное давление в течение длительного промежутка времени может оставаться неизменным.
- Для регулировки нужно использовать отвертку.
И вот, что нужно знать: Как варить пшено для рыбалки (пропорции и время приготовления)
При соблюдении всех вышеперечисленных советов и рекомендаций Ваш личный предсказатель погоды прослужит Вам верой и правдой довольно-таки большой промежуток времени!
Как сделать водяной барометр Паскаля
Специально для Marzena: опыт подходит для студентов третьего класса, которым нужно построить простую камеру. Опыт для жителей города – проводится в здании высотой не менее четырех этажей.
Целевая группа: от детского сада до средней школы.
Цели обучения: гидростатическое давление, атмосферное давление, простые уравнения, графики, экспериментальная методология, плотность, свойства воды, погодные явления.
Опыт: Мы строим водяной барометр Паскаля, и в течение нескольких дней мы наблюдаем указания, сравнивая их с метеорологическими наблюдениями и метеорологическими отчетами.
Оборудование: – здание: наше окно должно быть расположено на высоте 11-12 м над землей, если мы будем жить выше, то мы должны спросить кого-то, кто живет на четвертом этаже ниже нас, мы также можем установить барометр внутри здания – на лестничной клетке; – пластиковая прозрачная, мягкая трубка диаметром 3-5 мм (приобретается в технических магазинах), нам нужно около дюжины метров; – прочный пружинный зажим для этой трубки (имеется в техническом магазине); – пластиковая бутылка емкостью 0,3-0,5 литра; – проволока, клейкая лента и т. д. для крепления; – некоторые чернила; – свеча; – измерительная лента – не менее 12 м; – Интернет (вики, метеорологические службы); – если у нас есть, для сравнения результатов полезно использовать электронный барометр.
Мы строим барометр: В колпачке бутылки сверлите отверстие диаметром, более или менее похожим на нашу трубку. В самой бутылке, рядом с шеей, мы также делаем отверстие диаметром несколько мм, что позволяет выравнивать давление снаружи и внутри бутылки. Около 20 см от конца трубки мы привязываем к ней проволочную петлю (скрепку) и тщательно нагреваем пламя свечой, чтобы проволока расплавилась в трубку, но не пробила ее. Пробиваем трубку через отверстие в пробке так, чтобы на внутренней стороне вилки находилось около 20 см, а встроенная проволочная петля забивалась с пробкой. Бутылку заполняют кипяченой (всегда свежей варкой: для удаления воды, растворенной в воде) чернила, окрашенные водой, закрытая крышка (труба достигает более или менее дна бутылки) и всасывают воду во всю длинную трубку, пытаясь не пить. Верхний конец трубки – один с зажимом – прикреплен к оконным или балконным рельсам на 4-м этаже. Мы осторожно опускаем бутылку. Он должен быть расположен примерно на 10,5 м ниже верхнего конца трубки. Трубу не нужно размещать вертикально или прямо – ее можно, например, просверлить лестницей. В этот момент уровень воды на верхнем конце начнет падать (вакуум будет создан над концом водного столба). Мы устанавливаем бутылку на балкон соседнего 4-го этажа под нами или на перила, если мы отстегнем наш барометр на лестничной клетке. Мы измеряем вертикальное расстояние от конца трубки до уровня воды в бутылке и о на верхнем конце. Если трубка работает наклонно, или если она немного подвешивается, мы должны измерять разницу в уровнях, а не расстояние вдоль трубки. На верхнем конце трубки мы добавляем градуировку или прикрепляем к ней линейку, чтобы мы могли читать уровень воды в диапазоне около 0,5 м в обоих направлениях от текущего уровня с точностью до 1 см.
Курс эксперимента: в течение нескольких дней, каждый день (или каждые несколько часов) мы наблюдаем и записываем результаты уровня воды в нашем барометре. Зная плотность воды, мы преобразуем их в давление, выраженное в hPa. Мы объясняем, откуда взялось традиционное устройство атмосферного давления: «мм рт. Ст.» – чтобы у нас была труба, заполненная ртутью, а не водой. Мы сравниваем результаты, полученные с измерением электронного барометра и метеорологических отчетов (я рекомендую сайт ICM UW). Помните, что метеорологические отчеты не дают абсолютного давления, но снижаются до уровня моря – мы объясняем, что такое сокращение состоит и рассчитано коррекция для нашего города. С более продвинутыми учениками средней школы мы обсуждаем и учитываем влияние температуры (изменение плотности воды) на наше измерение как коррекцию. Мы обсуждаем важность атмосферного давления для погоды. Мы объясняем механизмы формирования и поддержания областей высокого и низкого давления и типичных погодных явлений.
Историческое истребление: Мы говорим о барометре, построенном Блейзом Паскалем на стене многоквартирного дома в Руане, и диктовке о том, как местный тавернер дал Паскалю баррель бургундского вина, чтобы заполнить его барометром вместо воды, цель «научного доказательства его качества», Оказалось, что вино – чуть светлее воды – имеет свой уровень в барометре немного выше, чем вода в трубке рядом с ним, так что это супер. Мы можем участвовать в более обширном отступлении от широкого вклада Паскаля в математику, физику и философию – вплоть до религии.
Конечно, мы объясняем, где используется используемая сегодня единица давления: «Паскаль» Па.
Использование: Барометр можно использовать в течение весенне-осеннего сезона (морозы будут его испортить), и если он установлен внутри здания – это зима. Мы можем использовать его для практических целей: «Планируем ли мы полевую деятельность завтра? Нет… лучше нет, потому что давление падает, может дождь ». Я предупреждаю вас об упрощении таких понятий, как «давление падает – будет дождь», но я рекомендую вам проверять такие частично законные зависимости на практике и показать это как пример закона, который, хотя он не работает на 100%, но позволяет вам провести значительную вероятность. Несколько (несколько месяцев) наблюдений могут использоваться как иллюстрация и введение в концепцию корреляции – это для учеников, не имеющих высшего образования. Но нам не нужно сопоставлять младшего со всем математическим формализмом: пример проверяемости прогнозов погоды идеально подходит для введения законов, которые дают истинные статистические предсказания, хотя и не обязательно в отдельных случаях. Очень редко, что с увеличением давления дождь будет падать, кроме кратковременного дневного шторма, – и если что-то подобное произойдет – у нас будет возможность читать лекции о довольно редкой аномалии погоды и ее источниках (на веб-сайте метеослужбы ICM доступны очень тщательно и легко написанные «синоптические комментарии», обновляемые каждое утро и объясняющие текущую погодную ситуацию доступным способом).
Техническое обслуживание: Если мы используем барометр более чем на несколько дней, мы должны пополнить воду в нашей бутылке, когда она испарится. В зависимости от типа трубки каждую неделю или несколько недель мы также должны разобрать все наше устройство, наполнить его свежей (отварной) водой и переустановить. Это вызвано диффузией газов из воздуха через стенки трубки и возможными утечками на зажиме, закрывающем трубку, которая разрушает вакуум выше уровня воды. После такого «обновления» вакуума стоит написать разницу в уровне воды до и после этой операции – и если это важно, сделайте соответствующую коррекцию (в зависимости от даты измерения).
Если барометр будет использоваться дольше, особенно если он установлен на солнечной стене здания, стоит добавить в воду какое-то средство против водорослей – его можно купить в садоводческом магазине.
То, что мы поняли из урока: мы уже знаем, что атмосферное давление зависит от высоты – чем оно выше, тем ниже. Давление на какой высоте измеряется нашим барометром? На высоте нашего окна, где заканчивается водяной столб в трубке? На уровне первого этажа, где находится бутылка? Где-то между?
Ksawery Stojda Репетитор, физик
В сегодняшнем эксперименте мы попробуем сделать барометр из обычной стеклянной бутылки. Руководства по его изготовлению в большом количестве присутствуют на различных сайтах (причем однотипные, то есть, скорее всего, бездумно скопированные друг у друга). Например:
Принцип работы такого барометра
довольно прост: внутри бутылки сохраняется объем воздуха при фиксированном давлении. Налитая жидкость играет роль подвижного поршня между этим объемом воздуха и внешней атмосферой. Если внешнее (атмосферное) давление будет изменяться, то и уровень жидкости в трубке тоже будет двигаться. Так, при повышении давления уровень столбика будет опускаться, при понижении давления – подниматься.
Попробуем сделать барометр. Для этого нам понадобятся: стеклянная бутылка (0.5 литра), питьевая соломинка, изолента. С помощью изоленты делаем на соломинке пробку, которая будет плотно входить в горлышко бутылки (можно взять и обычную пробку, у меня такой под рукой не оказалось). После того, как в бутылку налита жидкость и вставлена соломинка, внутренний объем воздуха необходимо герметизировать. Можно сделать это, например, залив горлышко клеем “Момент” (во время его высыхания не допускайте перепадов температуры, иначе клей будет вздуваться пузырями из-за выходящего воздуха).
После того, как все высохнет, барометр готов к работе. Здесь мы обнаруживаем неприятную особенность: он имеет высокую чувствительность, причем не только к давлению, но и к температуре. В итоге воздух либо входит внутрь бутылки, либо, наоборот, вода выливается наружу. Таким образом, использовать такой барометр по своему прямому назначению крайне затруднительно.
В доказательство проведем некоторые расчеты “на пальцах”:
Атмосферное давление изменяется примерно на 20 мм. рт. столба от нормального. Таким образом, относительное изменение давления:
delta_P / P = 20 / 760 = 0.0263
Это изменение приводит к такому же относительному изменению объема воздуха, находящегося в бутылке. Будем считать, что бутылка заполнена наполовину, т.е. V = 250 мл. Тогда
delta_V = V * 0.0263 = 6.58 мл = 6580 мм 3
В то же время, объем соломинки (диаметр 2 мм, длина 20 см = 200 мм):
V сол = 3.14*1*200 = 630 мм 3
Видно, что объема соломинки заведомо не хватает, чтобы вместить всю ту жидкость, которая будет подниматься или опускаться. Такая же проблема наблюдается и при изменении температуры. Даже если температура изменится всего на 5 градусов, относительное изменение составит:
delta_T / T = 5 / 270 = 0.019
что сравнимо по эффекту с изменением давления.
Выводы:
Необходимо держать такой барометр в помещении с постоянной температурой (можно в холодильнике, но там запотевает стекло, и смотреть уровень жидкости затруднительно).
Необходимо использовать трубку большего диаметра.
При соблюдении этих условий можно рассчитывать на работоспособность данного устройства.
Устройство в некоторых случаях просто незаменимо. Любителем рыбалки это нехитрое приспособление позволяет не только определить погоду, но и то, будет ли клев. Увы, не всегда есть возможность приобрести устройство. Но можно сделать барометр своими руками из подручных материалов. На само деле в этом нет ничего сложного. Намного труднее сделать электронный барометр своими руками. В этом случае требуются определенные навыки и наличие некоторых инструментов.
Основные категории и их принцип действия
Сегодня на полках магазинов представлено множество приборов, которые различаются не только внешним видом и ценой, но и принципом работы. Поэтому далее мы остановимся на каждом типе отдельно.
- Механические. Также называют анероидными. Такой прибор представляет собой коробку цилиндрической формы с гофрированным основанием. В середине этого устройства располагается сильфон. Если атмосферное давление повышается, коробка сжимается и тянет пружину, а при понижении механизм выталкивает пружину назад. За счет изменения положения пружины показатель на шкале также поднимается или же опускается.
- Электронные. Они более компактны по своим габаритам, в отличие от своих механических собратьев, но в то же время они более функциональны. Эти устройства показывают информацию на современном жидкокристаллическом дисплее.
- Барометр-часы. Эти модели имеют исходя из своего названия форму часов и крепятся на руке при помощи ремешка или браслета. Такие барометры очень удобны, они всегда перед глазами и выпускаются в большинстве случаев в водонепроницаемом корпусе.
- Карманные. Также очень удобные и компактные барометры, которые выпускаются в виде брелка, что дает носить их в кармане или, прикрепив к аппарату шнурок, повесить на шею.
Как влияет атмосферное давление на поведение рыбы
Барометр для рыбалки является важным устройством, но кроме этого нужно знать и учитывать физиологию той рыбы, которую предполагается ловить:
- пузырь у таких рыб как плотва, карась, лещ и щука имеет непосредственное соединение с внешней средой через рот. Чтобы выровнять давление в пузыре им приходится затрачивать немало энергии. Даже незначительные изменения давления в атмосфере сказываются на повышении аппетита перечисленных особей, что проявляется в виде хорошего клева;
- такие рыбы как судак либо окунь имеют обособленный пузырь, поэтому на скачки давления они так реагируют. Аппетит начинает проявляться только при повышении давления, а при понижении — практически отсутствует.
Как выбрать барометр
Чтобы барометр служил своему владельцу долго и не доставлял никаких проблем, внимание следует уделить таким моментам:
- Точность. Такой параметр как точность во многом зависит от качества сборки.
- Винт регулировки. На механических барометрах желательно чтобы винт регулировки был расположен ближе к центру отверстия под него. Несоосное расположение говорит о неправильной установке механизма и неточности показаний.
- Внешний осмотр. Нужно осмотреть как само стекло, так и циферблат.
- Водонепроницаемость. Важный параметр, поскольку на рыбалке есть риск падения в воду, да и погода может привести к попаданию влаги внутрь механизма.
- Калибровка. Новое устройство нужно откалибровать согласно показаниям городской метеостанции.
- Если барометр наручный, нужно чтобы ремешок был надежным.
Ниже приведены популярные модели с фото:
- капитан FBR – 007;
- CASIO PRG-250T-7D;
- ПБ-8;
- RST 05536;
- RST 05737;
- RST 05771 «Рыбакъ»;
- SUNROAD FX 702;
- БТК-СН 14.
Из завалявшихся деталей решил сделать небольшую метеостанцию. На сборку и написание прошивки для контроллера ушло два дня выходных. Еще пара дней ушла на написание, тестирование и отладку остального программного обеспечения. Текущая версия метеостанции измеряет температуру, влажность, давление, имеется связь с компьютером через USB порт от него же и питается, резервное питание от батареи 9 В. Данные отображает на LCD. Еще есть часы. Поскольку, не нашлось подходящего кварца (а покупать принципиально не хотел), сделал синхронизацию времени с компьютером.
Этот проект абсолютно не коммерческий, поэтому схему метеостанции, прошивку контроллера и все необходимое программное обеспечение можно . Исходный код прошивки здесь.
Станция собрана на макетной плате, поэтому чертеж печатной платы и не просите. Использовались следующие основные компоненты: ATMega8 — контроллер MPX4115A — датчик давления HIH-4000 — датчик влажности DS18B20 — датчик температуры WH1602A — дисплей
Я использовал LCD на PLED технологии, можно обыкновенные типа WH1602A. Датчики температуры и влажности вынесены на улицу в защитную коробочку.
Подключаем к компьютеру
Подключение к порту USB требует отдельного описания.
В принципе, можно было подключить и к COM порту, так проще. Но у меня он занят. Выбора нет — USB. Поскольку станция собиралась с чего было, то в ход пошел завалявшийся огрызок кабеля CA-42 для подключения мобильного телефона к компьютеру. Разъем к мобильному телефону ушел в дело, а тот конец, который подключается к компьютеру остался. В самом этом разъеме уже имеется микросхема для USB порта, а на выходе — стандартный UART, тот, который используется в мобильных телефонах и самый раз для контроллера, поэтому провода запаиваем напрямую, без каких либо преобразователей сигнала. После установки драйверов для этого кабеля, появляется виртуальный COM порт. Далее можем любой программой подключиться к нашей метеостанции, например HyperTerminal. Распайку кабеля специально не привожу, поскольку кабеля разные, могут отличатся. Использовать нужно 3 провода TX, RX, GND. Запитать устройство от кабеля, скорее всего, не получится. Я взял не нужный USB разъем и запитал с другого USB порта. Для того чтобы можно было из командной строки отправлять команды и принимать ответ от метеостанции, была написана программа getfromcom.exe. Метеостанция понимает только две команды: AGOV — Возвращает текущие показания датчиков. SETTIME [время в секундах с начала суток] — команда устанавливает время в метеостанции Для получения данных выполняем getfromcom.exe COM6 AGOV Для установки времени выполняем getfromcom.exe COM6 «SETTIME 72565» COM6 — порт. 72565 — количество секунд с начала суток. Автоматизация процесса Теперь можно любой программой считать, обработать данные, отправить куда надо, синхронизировать время метеостанции. Я это сделал с помощью скриптового языка PHP. Во первых это быстро и всегда можно оперативно подправить скрипт и не искать куда делся исходный код. Во вторых, я постоянно работаю с PHP. Но Вы можете написать свою программу на любом удобном для Вас языке. Разумеется, для работы PHP придется его скачать (https://www.php.net/downloads.php) и установить на компьютере. Под Windows это делается элементарно. Скрипт getfromcom.php запускается из файла get_data.bat опрашивает метеостанцию, обрабатывает данные и отправляет на HTTP-сервер скрипту get_data.php. О скриптах на сервере поговорим чуть позже. Спящий режим рабочего компьютера Мой компьютер стоит в спящем режиме. Просыпается каждые 3 часа, опрашивает метеостанцию, отправляет данные на сервер и снова засыпает (можно и не выключать — кому как удобнее.). Делается это так: В планировщике задач указывается пакетный файл get_data.bat для выполнения и устанавливается опция «разбудить компьютер для выполнения этого задания». Компьютер отправляется в спячку командой fShutdown.exe /hibernate Теперь по указанному времени компьютер проснется и выполнит get_data.bat Особенности get_data.bat Команды: devcon.exe enable PCIVEN_10EC ping 127.0.0.1 RASPHONE -d Setilite Запускают сетевое подключение и подымают VPN к моему провайдеру Интернет. ping 127.0.0.1 — так я сделал необходимую паузу. Соответственно, отключаем командами: RASPHONE -h Setilite devcon.exe disable PCIVEN_10EC У Вас будет все по другому, поэтому в файле эти строки закомментированы. После выхода из спячки компьютер начинал думать, что COM порт занят другой программой. Пришлось виртуальный COM порт перезагружать командой devcon.exe restart «USBVid_6547&PID_0232» У Вас будет другой ID устройства. Серверные скрипты: Теперь о скриптах на сервере. Скрипт, который принимает данные: get_data.php Скрипт сохраняет данные в файл pogoda.log. Вообще то, данные отправляются и в базу данных MySQL. Но для простоты, рассмотрим работу только с файлом. Принимая данные, скрипт проверяет подходит ли IP адрес отправителя. Разрешенные адреса перечислены в файле ip_allow.lst От «чужого» отправителя данные не принимаются.
Вот тут можно посмотреть как отображаются данные на сайте!
За отображение текущих значений отвечает скрипт pogoda_kremenchug.php Все, что касается графиков, находится в папке pchart Пользуйтесь на здоровье. Будут вопросы — пишите [email protected] Корягин Андрей
Проект для Proteus’a от пользователя sasha231280
Схема с Proteus’a
Источник
Необходимые инструменты
В обязательном порядке потребуется:
- перегоревшая или целая лампа накаливания;
- защитные перчатки;
- надфиль или электрическая дрель с алмазным сверлом;
- один кристаллик марганцовки либо обломок от грифеля из химического карандаша — не всегда.
Для изготовления крепления барометра потребуется электрический паяльник или клей с подставкой.
Практическое назначение
Барометр в каждодневной жизни может использовать не только человек, увлекающийся рыболовством, но и рядовой обитатель для определения погоды за окном. Сегодня, безусловно, несложно узнать прогнозы небесной канцелярии, десятки сайтов содержат такую информацию.
Однако несмотря на это довольно-таки часто бывают случаи, когда информация во всемирной паутине довольно противоречива, и непонятно, где правда, а где нет. Как раз подобную ситуацию легко разъяснить, взглянув на показатель барометра.
Если показатель неукоснительно падает, то стоит ждать дождей и непогоды, если же, наоборот, стрелка этого измерительного прибора набирает обороты, то ожидается солнечная, ясная погода.
Общая информация
Имея данный прибор, намного проще определить, на какой точке будет больший улов, а на какой точке рыбы ждать не стоит. Для того чтобы предугадать исход рыбалки, мало приобрести в магазине барометр, так как этот прибор не озвучит, где и что лучше ловить. Он лишь определит показатель атмосферного давления в конкретном месте в определенное время.
А правильно провести анализ, понять водится ли здесь и сейчас конкретная рыба, это уже должен сделать сам рыбак, для этого он должен быть осведомлен о некоторых физиологических особенностях водных рептилий, этот аспект будет рассмотрен нами далее.
Технология изготовления
На руки надевают защитные перчатки. Они будут предохранять кожу от порезов и попадания мелких осколков стекла. Лампочка хрупкая, под случайным излишнем усилии она может развалиться на мелкие осколки. Работать с ней следует очень аккуратно.
В верхней части колбы около цоколя необходимо сделать сквозное отверстие с поперечным сечением от одного до нескольких мм кв, не больше. Оно будет сообщать внутреннюю полость баллона с атмосферным воздухом.
Способы создания отверстия
Работа надфилем
Боковой гранью режущей кромки осторожно прорезают отверстие в стекле колбы.
Величину усилия необходимо контролировать: очень легко проточить большую щель или повредить хрупкое стекло. Работу выполняйте над емкостью, в которую будут падать стеклянные опилки. Это обезопасит уборку рабочего места.
Сверление отверстия в стекле
Этот метод позволяет сделать строго калиброванное отверстие круглой формы. Однако он требует практических навыков обработки стекол сверлами мелких диаметров. Работать можно дрелью или шуруповертом.
Обычное сверло для обработки металла должно быть хорошо заточено, а место сверления отмечено и очищено. Лампочку необходимо надежно зафиксировать, а дрель использовать на средних оборотах и постепенно снижать их величину. Отклонение сверла от вертикали, как и нажим, не допускается. Даже при выполнении этих требований высока вероятность повреждения колбы.
Поэтому для сверления отверстия подбирают специальные сверла с алмазным напылением наконечника. Работают ими очень осторожно.
Наполнение колбы водой
Внутрь лампочки через прорезанное отверстие необходимо налить чистой отстоявшейся или лучше кипяченной воды чуть меньше трети ее внутреннего объема.
Самодельный барометр из лампочки в принципе готов к эксплуатации. Но для удобства использования его можно:
- подкрасить воду прибора, например, раствором марганцовки. Конденсат станет лучше виден;
- снабдить устройством подвешивания или подставкой.
О креплении самодельного барометра
Крепежный узел прибора изготавливают для эксплуатации в одном из двух вариантах:
- подвешивании на ручку или крючок;
- стационарной установке на подоконнике.
Петля для подвешивания
Используют отрезок медной проволоки, сгибают его петлей, а свободные концы впаивают внутрь контакта цоколя.
Остается подвесить самодельный барометр на подготовленный крючок или ручку.
Подставка
Можно использовать подходящий по диаметру колпачок от бутылочки с косметикой или моющих средств.
В него вклеивают лампочку либо ее крепят другим доступным способом, например, на пластилин или замазку. Такую самодельную конструкцию прибора удобно ставить на подоконник в любом свободном месте.
Главное условие безопасности — ограничить доступ к прибору малолетних детей и домашних животных, которые могут легко опрокинуть или разбить стеклянную колбу.
Барометры для рыбалки
Среди многообразия конструкций для рыбалки можно условно выделить две основные категории:
- бытовые;
- карманные.
Первые в основном используются в условиях квартиры или дома. На рыбалке такой прибор может быть размещен на столе или стене рыбацкого домика, расположенного недалеко от береговой линии. В этом случае необходимо, чтобы имелся доступ к свежему воздуху. Точность измерения, сделанного в наглухо закрытом помещении, будет заметно ниже.
Проблем с клёвом рыбы больше не имею!
Возьмите за правило, на каждой рыбалке, первым делом начинайте…
Читать продолжение >>>
Карманные девайсы более компактны, они могут размещаться на наручном браслете или в кармане рыбака.
Такой прибор можно взять непосредственно на берег, на место лова.
По принципам устройства измерители давления подразделяются на ртутные, механические (или барометры-анероиды) и электронные (цифровые) устройства.
- Ртутные анерографы максимально точны. Они широко применяются на метеостанциях. Но для применения на рыбалке они совершенно не подходят, так как содержат большое количество ртути и могут быть опасны.
- Анероиды несколько менее точны, но зато намного менее ломки и более безопасны. Кроме того, они имеют презентабельный внешний вид.
- Электронные девайсы – продукт высоких технологий. Они легки и компактны, а кроме того, обладают очень широким функционалом. Эти приборы зачастую представляют собой настоящие метеостанции в миниатюре и позволяют измерять не только динамику колебания давления, но и температуру, высоту над уровнем моря, влажность и целый ряд других параметров.


















