Старая стиральная машина — отличный материал для конструирования большого количества полезных в быту приспособлений. Из разных частей агрегата можно сделать мангал, коптильню, стерилизатор для консервации, шлифовальный круг и даже бетономешалку. Довольно часто владельцы стиралок советского образца собирают точильное устройство или наждак из двигателя. Это не сложно, если мотор исправен, вами продуман способ крепления наждачного круга на вал, подготовлены все вспомогательные детали, инструмент и крепежные элементы.
Для чего нужен наждак
Наждачный станок пригодится для таких работ:
- Восстановление режущих качеств сверла. Чтобы не покупать новые сверла, нужно знать, как затачивать старые. Во время работы дрелью сверло сильно нагревается, из-за чего постоянно тупится. Переточив его на станке, вы сможете пользоваться им еще много раз.
- Заточка ножей, ножниц, лопат и других инструментов. Благодаря самодельному станку из стирального двигателя ваши ножи будут всегда заточены, а ножницы станут отлично резать. Для этого не нужно применять особых усилий.
- Если заменить наждачный круг на полировочный, можно без труда обрабатывать изделия и детали.
Используя мотор от стиралки, вы сможете своими руками изготовить заточной станок. Для этого вам придется купить всего одну деталь – наждачный круг. Все остальные составляющие находятся в моторе.
Простой станок своими руками
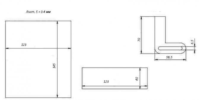
Пошаговый процесс изготовления небольшого точила, которое можно разместить на стене, показан ниже.
|
|
Из листа толщиной 3…4 мм вырезаются боковины будущего точила. |
|
|
Из того же листа вырезают остальные элементы, которые будут размещаться спереди станка. Вырезается вспомогательный упор. |
|
|
В боковинах сверлят отверстия, согласно прилагаемой схеме их расположения. Выполняются вспомогательные проточки. |
|
|
В передней стенке также сверлят отверстия. Сваривается вся конструкция по прилагаемой монтажной схеме. |
|
|
Ориентировочно должно получиться подобное устройство. |
|
|
Для установки абразивного камня нужно выточить переходную втулку по предложенному чертежу. Она будет надеваться на вал электромотора от стиралки. |
|
|
После завершения сборки и окрашивания малогабаритный станок крепят к стене. |
|
|
Чтобы удобнее было работать на станке, рядом размещают источник освещения. |
Вместо абразивного камня можно устанавливать:
- механическую щетку от УШМ. С ее помощью снимают краску и ржавчину с поверхности заготовок;
- войлочный круг. Применяя пасту ГОИ умельцы полируют небольшие изделия.
Какой двигатель подходит для того, чтобы сделать наждак
Задумываетесь, какой двигатель можно использовать? Применить можно любой мотор от стиральной машины, даже марок «Вятка», «Рига» или «Волга». Главное, чтобы он обладал достаточной мощностью.
Для нормальной работы точильного аппарата, хватит мощности 100-200 Вт, с 1000-1500 оборотов в минуту. Для особо крупных деталей подойдет мотор мощностью 400 Вт. Но если скорость двигателя достигает 3000 оборотов в минуту, его нужно регулировать или устанавливать очень прочный диск.
Что нужно для создания наждака из мотора стиральной машины
Для изготовления простого точильного аппарата вам понадобятся:
- двигатель от стиралки;
- фланец;
- втулка;
- насадка на электродвигатель (наждачный круг);
- кожух для защиты;
- опора;
- пусковое устройство.
При покупке лучше выбирайте изделие с двумя кругами: чистовым и черновым вариантом.
Также нужно сделать переходник с фланцем. Поскольку размер вала не совпадает с отверстием точильного камня, необходимо изготовить переходник. Выполнить его можно на токарном станке, предварительно определив размеры и выполнив чертеж. На схеме нужно отметить диаметр вала и отверстия наждака.
Фланец на вал можно сделать самостоятельно. Подойдет кусок трубы диаметром 32 мм, не более 200 мм в длину. Она должна идеально сесть на вал двигателя. На одной стороне фланца выполняется резьба, направление которой зависит от направления движения вала. При отправке на двигатель другой конец фланца нагревается и запрессовывается.
После установки обязательно зафиксируйте фланец. Сделать это можно сваркой или болтом, просверлив фланец с валом.
Какие материалы и инструменты необходимы для самодельного наждака
Заранее позаботьтесь обо всех комплектующих. Вам потребуется электрооборудование:
- конденсатор и выключатель (можно снять с того же стирального аппарата);
- проводка;
- вилка с кабелем.
Материалы для переработки движка для наждака:
- фланец;
- небольшой отрезок оцинкованной жести;
- шлифовальный круг (можно даже набор камней с разной зернистостью, чтобы менять в зависимости от потребностей).
Элементы для сборки опорной рамы наждака:
- труба с широким прямоугольным сечением;
- два отрезка трубы с меньшим сечением той же формы;
- пара уголков;
- резиновые прокладки.
Комплектующие для столика наждака:
- труба квадратного сечения;
- пластины из металла — 2 шт.;
- гайки и болты.
Инструменты:
- сварочный аппарат;
- дрель;
- ручные напильники;
- болгарка;
- тиски и струбцина;
- слесарные и измерительные приспособления;
- изолента с тканевой основой;
- углошлифовальное устройство.
Совет. В конце работы металлические части наждака лучше покрыть грунтовой краской.
Первым делом позаботьтесь о фиксации камня на валу мотора. Для этих целей используется фланец, но без токарного станка скрепить обе части довольно сложно. Лучше прибегнуть к услугам специалиста. Его задачи:
- подготовить фланец для надёжного соединения с валом;
- закрепить контакт шайбой;
- сделать резьбу на фланце, которая бы подходила для гайки-втулки и не противоречила направлению вращения движка.
Если вал вращается против часовой стрелки, вам понадобится правостороння резьба, и наоборот. Иначе гайка будет раскручиваться в процессе работы. Это противоречит технике безопасности, поскольку точильный камень может слететь. Втулку сделайте из трубы, например, сечением 32 мм. На неё насадите круг наждака. Зазор межу двигательным валом и трубой следует компенсировать равномерной подкруткой из изоленты.
Этапы создания наждака из двигателя стиральной машины своими руками
Для самодельного приспособления пригодится двигатель с ременным приводом.
Осталось правильно собрать устройство. После установки фланца наденьте на вал гайку с шайбой, затем большой наждачный круг и снова гайку с шайбой.
Подключение мотора
Как подключить двигатель от стиральной машины-автомат:
- Применяя тестер-мультиметр, отыщите провода тахогенератора, которые показывают сопротивление 70 Ом (обычно они белого цвета). Их мы использовать не будем.
- Осталось четыре провода. Используя мультиметр, нужно определить парные провода.
- Соедините провода, ведущие к статору и к электрощеткам. Оставшиеся провода нужно соединить с проводом и вилкой на конце, после чего подключить к сети.
- Места соединений нужно изолировать.
Сразу после подключения мотор для домашнего наждака начнет работать, и вы сможете оценить функциональность прибора.
Подключение электродвигателя стиралок советского производства отличается от предыдущего варианта.
- Здесь вы найдете только 4 провода. Нужно отыскать парные.
- Возьмите мультиметр, измеряйте показания каждого из проводов. Вам нужны парные провода с меньшим сопротивлением, которые идут на рабочую обмотку.
- Эти провода соедините с вилкой и подключите к сети.
- Теперь нужно сделать пусковой элемент. Можно использовать любую кнопку, например, от дверного замка. Один провод, идущий от кнопки, соедините с пусковым проводом (ПО), а другой – с рабочим (ОВ).
Теперь двигатель подключен. Но прежде чем начинать работу, нужно основательно закрепить станок, чтобы избежать аварийной ситуации.
Подключение (проверка) двигателя
Естественно, перед тем, чтобы начинать что-то собирать, электромотор нужно сначала подключить и проверить. В старых стиральных машинах попадаются два варианта исполнения двигателей: более старый и качественный, имеет закрытый корпус с крыльчаткой, с двумя питающими выводами и более новый — четыре вывода, крыльчатки нет, охлаждение происходит через отверстия спереди и сзади, через которые видны обмотки.
Читать также: Производство саморезов в домашних условиях
Старый вариант не требует никаких конденсаторов для запуска — пусковая обмотка хитрым образом подключается и отключается внутри двигателя специальным механизмом. Благодаря этому никаких сложностей с подключением возникнуть не должно: оба вывода подключаются в сеть 220 вольт. Недостатком такого двигателя является то, что направление вращения вала предустановлено внутренним подключением и изменению не подлежит. Как правило, это направление по часовой стрелке и поэтому необходимо будет использовать левую резьбу для крепления камня.
Вариант поновее имеет четыре вывода двух обмоток: рабочей и пусковой. Отличить их можно при помощи мультиметра: сопротивление рабочей обмотки около 10 Ом, пусковой — около 40 Ом. Возможно сопротивления будут отличаться от указанных, но незначительно. Пусковую обмотку нужно подключать через конденсатор 4-5 мкФ на напряжение не менее 400 в. Мне встречались составные конденсаторы для подобных двигателей: два последовательно соединенные по 10 мкФ на 300 в. То есть, таким образом поднималось максимально допустимое рабочее напряжение готового конденсатора. Использование составного конденсатора из двух с низкими напряжениями (не менее 300 в) возможно, но нежелательно. Конденсаторы следует использовать неполярные!
Проверить двигатель можно вообще без конденсаторов и пусковой обмотки: напряжение 220 в. подается напрямую на рабочую обмотку. При таком подключении мотор будет стартовать без нагрузки в произвольном направлении. Чтобы задать направление вращения вала, нужно подключать пусковую обмотку и конденсатор. Для наждака нужно задавать направление против часовой стрелки
. Ниже показана схема подключения, если вал вращается по часовой стрелке, нужно изменить подключение пусковой обмотки.
Во многих публикациях в сети видел такое утверждение, что пусковые обмотки подключать не нужно вообще, а направление вращения задавать при старте вручную. Якобы при использовании пусковой цепи двигатель сгорит. Объяснить эти домыслы я могу только одним путем — один написал глупость, а остальные списали у первого. Могу с уверенностью сказать: пусковую обмотку подключать можно и нужно, через конденсатор 4-5 мкФ, пусковая цепь должна быть подключена всегда, без каких-либо дополнительных кнопок. И если мотор исправен — такое подключение для него безопасно и совершенно безвредно.
Подбор электродвигателя
Чтобы сделать наждак самостоятельно, в первую очередь необходимо подобрать подходящий электродвигатель. Чаще всего это мотор от стиральной машины старого образца, например, Малютки — он как нельзя лучше подходит для этой цели. Такой мотор отвечает определенным требованиям: его мощность в пределах 100-200 Вт, а число оборотов не превышает 1500 оборотов в минуту. Если частота вращения будет больше, то возникнет опасность разрушения абразивного круга.
Высокие обороты двигателя нужны для полировки деталей, а для заточки они не подходят.
Чтобы сделать самодельный наждак, можно применить и любой другой электродвигатель. Он должен отвечать определенным параметрам.
- Вращение вала должно быть минимальным. Лучше всего подходят моторы, имеющие не более 1 000 оборотов в минуту.
- Мощность двигателя должна быть в пределах от 100 Вт до 1 Квт. Чаще всего используются моторы мощностью 400 Вт.
- Желательно, чтобы он имел лапы для крепления.
- Лучше всего подходит однофазный или асинхронный мотор, рассчитанный на включение в сеть 220 вольт.
Что можно сделать из старой стиральной машины
Самоделки из двигателя стиральной машинки чаще всего заменяют те инструменты, покупка которых в хозяйстве нецелесообразна из-за их дороговизны. Чаще всего это незаменимые для любого мастера приборы: наждак, точильный станок, бетономешалка, генератор, токарный станок. Иногда из моторов от стиралок собирают ощипыватель для кур или измельчитель кормов.
Как сделать шлифовальный станок или точило из двигателя стиральной машины
Если вы не знаете, где использовать мотор от стиральной машины-автомат, — сделайте шлифовальную машину. Это одна из самых простых «переделок» двигателя стиралки. Самая большая проблема в сборке шлифмашины – обеспечить хорошее, устойчивое крепления точильного камня на вал двигателя, чаще всего используют специальный фланец.
Рассмотрим подробно все этапы работ:
| Иллюстрация | Описание действия |
| Для работ нам пригодится двигатель от стиральной машины 180 В, на 1400 оборотов. Слишком мощный двигатель выбирать не стоит. Первый этап – изоляция проводов. | |
| Размечаем точильный круг под переходник. Причем для крепления ступицы необходимо использовать шайбу и гайку с резьбой направленной в сторону, противоположную вращению вала. В противном случае, она будет раскручиваться и при первом же запуске точильный камень слетит. | |
| Нарезаем металлические уголки, их можно вырезать из листов 8 мм. С помощью болтов крепим мотор к станине. | |
| Проводим сборку всех элементов шлифовального диска и тестовый запуск. | |
| Следующий этап покраска и приваривание к основанию | |
| В завершение работы оформление поверхности абразивным материалом. Проще всего использовать для этих целей двусторонний скотч. По такому же принципу можно сделать своими руками точило из стиральной машины. |
Токарный станок по дереву
В этой самоделке самое сложное сварить правильную раму для основания. Токарный станок в обязательном порядке должен иметь устойчивое основание. Рама может быть изготовлена из уголков и профилей, и других подручных материалов. Самое главное, чтобы ось двигателя была выставлена параллельно опорной конструкции.
Мотор в таких моделях асинхронный, обычно с двумя скоростями, от 400 до 3000 оборотов в минуту.
Подробнее о том, каким способом можно использовать мотор от стиральной машины и собрать с его помощью токарный станок по дереву, смотрите в этом видео:
Перосъемная машина из стиральной машины своими руками
Такая машинка легко выполнит за вас «всю грязную работу». Она прекрасно справится с трудоёмкой и физически непростой задачей по ощипыванию кур.
| Иллюстрация | Описание действия |
| Берем вал от старой стиральной машины, подрабатываем резьбу. На наждаке делаем аккуратные срезы под шкиф. | |
| В нашем случае подойдет шкиф от стиральной машинки «Индезит» с вертикальной загрузкой. | |
| Переходник вырезаем из старого рулевого пальца от УАЗика. Резьба подошла как раз. | |
| Для прижима используем колпак от центрифуги от старой полуавтоматической стиральной машинки «Сибирь». | |
| Для крепления нашего мотора собираем каркас. Окрашиваем, привариваем «ушки». | |
| Помпу «садим» на герметик. | |
| С обратной стороны устанавливаем шкиф. | |
| Проверяем ременной привод нашего агрегата. | |
| Подключаем плату с таходатчиком. Подключаем последовательно обмотки с коллектора на якорь. Если вы подсоедините не правильно, будет крутить ваш мотор в другую сторону. Крепим блок управления под столешницу. | |
| Крепим на саморезы чашу для погрузки тушек, снабжённую резиновыми штырями. | |
| Сверху укладываем дно перосъёмной машины и закрепляем колпаком на шурупе. |
Такая машина справится с ощипыванием бойлерных куриц, а также перепелов. Для изготовления было использовано около 120 резиновых «пальцев», диаметром 8 мм.
Газонокосилка
Газонокосилка является еще одним прекрасным способом куда можно применить двигатель от стиральной машины и подарить ему вторую жизнь. По аналогии с любым устройством, здесь самое сложное изготовить удобную раму, к которой можно было устойчиво прикрутить мотор. Вторая важнейшая задача – придумать кожух, чтобы защитить мотор от пыли и листвы, а человека от порезов.
Раму можно сварить из металлических уголков, главное приварить «ушки» для переключатели и сварить прочное основание для двигателя.
Иногда в качестве основы берут раму от коляски или тележки. Далее на раму приваривается металлический лист. Сверху на платформу крепится кожух, спереди и сзади приспосабливают специальный бампер. Он может быть как пластмассовым или резиновым, так и металлическим.
Двигатель закрепляется на платформе, в центре высверливается отверстие под вал.
Варианты ножей могу быть разные – от роторных до цилиндрических.
Колеса можно «позаимствовать» от старой коляски.
Далее остается провести пробный пуск. Не забывайте, что прежде, чем приступать к работам важно проверить правильное подключение всех элементов и их изоляцию!
Корморезка
А вот для изготовления корморезки в дело пойдет не только мотор от стиралки, но и барабан. Правда, стоит изначально выбрать модель с вертикальной загрузкой. Однако, если не нашли такую, подойдет и обычный барабан.
| Иллюстрация | Описание действия |
| Для начала изучим «начинку». Двигатель 1,1 кВт на 1000 оборотов. Редуктор, конденсатор стоит 25 микрофарад. | |
| Барабан изготовлен из стиральной машины, крепится на крестовину. Для усиления эффекта терки отверстия слегка расширяются наружу. | |
| Запускается очень легко, нажатием одной кнопки. | |
| Корпус выполнен из металлического листа. | |
| Предусмотрен прижим для удержания свеклы, или сочных продуктов. |
Важно! Если вы используете бак от стиральной машины с вертикальной загрузкой, следите за тем, чтобы лопасти при работе не задевали дно и бока емкости!
Как превратить двигатель от старой стиральной машины в генератор
Для изготовления самодельного генератора придется обратиться за помощью к профессиональному токарю. После покупки неодимовых магнитов, на сердечнике двигателя необходимо будет выточить пазы определенной глубины.
Вариант мотора – генератора.
Для закрепления магнитных «усилителей» необходимо заранее заготовить жестяные шаблоны, габариты которого должны совпадать с размерами сердечника и шириной пазов. Важно распределить магниты на сердечнике на одинаковом расстоянии. Закрепить их можно с помощью клея.
Алгоритм сборки наждака из двигателя от стиральной машины Малютка
Прежде всего делаем станину будущего механизма. Ее можно изготовить из толстой деревянной доски, деревоплиты, подходящего пластика, но лучше всего подходит толстая металлическая плита. К ней с помощью кронштейнов, уголков или хомутов закрепляют электродвигатель. Соединение электродвигателя с камнем происходит посредством фланца.
Изготовление фланца — одна из технически сложных операций при сборке самодельного наждака. Делается он, как правило, с помощью токарного станка. Для этого необходимо измерить диаметр выходного вала и абразивного круга, который будет применяться в заточном станке. Однако если токарного станка под рукой нет, можно обойтись и без него. На видео, представленном ниже, можно ознакомиться, как сделать фланец для наждака из подручного материала самостоятельно:
Закрепление фланца на валу происходит при помощи гайки с болтом и шайбой. При этом надо учитывать направление вращения вала: резьба на гайке должна быть в противоположную сторону.
Это делается в целях безопасности, чтобы во время работы гайка не раскручивалась под действием вибрации станка, что чревато слетанием абразивного круга и травматизмом.
Наконец, остается смонтировать электроточило на постоянное место и подвести электричество. Наждак из двигателя от Малютки готов.
В случае применения двигателя, демонтированного со стиральной машины-автомат, можно сделать заточной станок аналогичным образом, разница состоит только в подключении электроэнергии. Мотор от обыкновенной стиральной машины имеет четыре провода: два подключаются к рабочей обмотке, а два других — к пусковой. Чтобы определить рабочую обмотку, достаточно измерить сопротивление обеих. Сопротивление пусковой обмотки составляет 30 Ом, а рабочая имеет всего 12 Ом. Двигатели современных машин имеют шесть выводов, два из которых — это выход таходатчика с сопротивлением 70 Ом. Найти их не составит большого труда. Эти провода необходимо заизолировать.
Схема подключения заключается в следующем: обе обмотки соединяются параллельно и подсоединяются к сети, а в разрыв пусковой обмотки подсоединяют кнопку. Для этого можно взять пусковую или приспособить кнопку от дверного звонка.
Подготовка фланца
Для создания рассматриваемой конструкции своими руками также потребуется фланец. При необходимости его можно выточить своими руками или обратиться к профессиональному токарю. Особенностями этого этапа назовем следующие моменты:
- Нужно знать диаметр посадочного отверстия используемого наждачного круга.
- При создании фланца учитывается диаметр вала. Фланец и вал должны обладать схожими диаметрами, слишком большой зазор может привести к серьезным проблемам.
Фланец
Подобный элемент крепится при помощи гайки, болта и шайбы. Нарезание резьбы проводится с учетом того, в каком направлении будет вращаться выходной вал. К примеру, при вращении круга по часовой стрелке, то нарезаемая резьба должны быть левой. За счет выбора противоположно направленной резьбовой поверхности снижается вероятность раскручивания гайки во время работы. Если это произойдет, то рабочая часть слетает на большой скорости, что приведет к травмам и другим повреждениям.
Если не получается изготовить фланец из заготовки, то можно использовать в качестве основы трубу с подходящим диаметром. Устранить зазор между втулкой и валом можно путем применения уплотнительного материала. Если зазор слишком большой, то используется несколько втулок различного диаметра.
Как приспособить дрель и болгарку под электроточило
Сделать наждак можно не только из подходящего электродвигателя, имеющегося в наличии. Для этого можно приспособить электроинструмент — это может быть электрическая дрель или шуруповерт.
Последний хуже подойдет для этих целей: у него недостаточная мощность и маленький ресурс аккумуляторов.
Изготовление точила из дрели начинают с приобретения насадки.
В ней закрепляют заточной камень, а затем зажимают в патрон. Остается закрепить его на неподвижном основании с помощью специального крепления, которое можно купить в магазине, продающем электроинструменты. При помощи такого электроточила можно поправить топор, наточить кухонный нож или заправить сверло.
Что представляет собой ветрогенератор
Ветрогенератор — это комплекс механических устройств, относящиеся к альтернативному источнику электроэнергии, которые преобразуют кинетическую энергию ветра в механическую при помощи лопастей, а потом в электрическую.
Ветрогенератор — альтернативный источник энергии для частного дома
Современные модели имеют три лопасти, это обеспечивает больший КПД установки. Минимальная скорость ветра, при которой запускается ветряк – 2-3 м/с. Также в технических характеристиках всегда указывается номинальная скорость – показатель ветра, при котором установка дает максимальный показатель КПД, обычно это 9-10 м/с. При скорости ветра ближе к 25 м/с, лопасти приобретают перпендикулярное положение относительно ветра, за счет чего выработка энергии значительно падает.
Для того чтобы обеспечить частный дом электроэнергией, при скорости ветра 4 м/с, достаточно:
- 0,15-0,2 кВт для основных потребностей: освещение комнат, телевизор;
- 1-5 кВт для обеспечения работы основных электроприборов (холодильник, стиральная машинка, компьютер, утюг и др.) и освещения;
- 20 кВт обеспечит энергией весь дом, включая отопление.
Т.к. ветер может в любое время прекратится, ветряк не подключают напрямую к электроприборам, а к аккумуляторным батареям с контроллером заряда. Т.к. аккумуляторные батареи производят переменный ток, а для бытовых приборов нужен постоянный в 220В, устанавливают инвертор, к которому и подключают все электроприборы. К недостаткам ветрогенераторов можно отнести производимый от них шум и вибрацию, особенно это касается мощных установок, более 100 кВт.
Виды лопастей ветрогенератора
Мини заточный станок
Электрическое точило бывает необходимо, если мастер занимается моделированием: при работе часто требуется подтачивать маленькие детали. Большое точило не приспособлено для выполнения мелкой работы, поэтому часто делают мини-наждак своими руками. Алгоритм сборки таков:
- берут двигатель от жесткого диска компьютера или детской игрушки;
- натяжную втулку спицы от мопеда припаивают к оси двигателя;
- маленький заточной круг прикручивают с помощью винта и шайбы к валу;
- подключают блок питания;
- закрепляют устройство на станине, и наждак готов.
Часто для этих целей используют электродвигатели от неисправной швейной машины. Преимущество этого станка в том, что у двигателя имеется регулятор скорости, а это расширяет возможности прибора. Его можно с успехом применять и как полировальную машинку.
Как установить ветрогенератор
- На несущую рейку устанавливаем генератор, лопасти, ротор и хвост. При этом необходимо закрыть генератор и ротор ветряка специальным кожухом для защиты от атмосферных воздействий.
Совет! Для защиты от холода, установку можно покрыть смазкой на силиконовой основе.
- Силовая установка крепится на рейку подвижным шарнирным механизмом.
- Мачта крепится на бетонное основание при помощи 4-х болтов.
- По мачте проводится провод от генератора до распределительного щитка.
Установку ветрогенератора проводят в безветренную погоду
- После этого подключаются контроллер напряжения, аккумулятор и инвертор.
- Установка подключается к тестовым приборам, при нормальной работе ее переподключают к сети.
Внимание! Прежде чем подключать к сети сложные бытовые приборы, проверьте работу элементарных, например, зарядки для телефона.
Ветрогенератор – это экологически безопасный вариант получения электроэнергии. Небольшие ветрогенераторы отлично подойдут для дачных хозяйств или как дополнительный источник питания в частных домах при отсутствии света. Для того чтобы сделать его самостоятельно, нужно иметь элементарные знания в электрике и электронике. Желательно ознакомиться с видео инструкцией, для получения дополнительной информации.
Техника безопасности при работе с самодельным устройством
Изготавливая электроинструменты самостоятельно, следует неукоснительно соблюдать технику безопасности. Если промышленные агрегаты укомплектованы средствами защиты., то в самодельных устройствах придется изготовить их самому. Следует знать, что эксплуатация точила из двигателя стиральной машины без защитного кожуха запрещена. Сделать его можно из листового металла толщиной 2,5 мм.
Рабочий круг во время заточки испытывает сильную вибрацию. Для исключения разрушения наждака во время работы, устанавливая камень, под металлические шайбы ставят прокладки из картона. Также следует убедиться, что диск не имеет трещин.
Во время работы следует стоять сбоку от круга, чтобы при его поломке осколки не полетели в оператора.
На рынке представлено множество моделей электрического наждака, но устроен он настолько просто, что не хочется тратить даже минимальные деньги, тем более что его легко сделать самостоятельно. Купить придется только абразивный круг, а «донором» двигателя станет старая стиральная машина, которая наверняка пылиться в гараже и, скорее всего, больше никогда не понадобится. О том, как сделать наждак из двигателя от стиральной машины читайте далее.
Установка устройства
После сборки наждака его крепят на основе, в качестве которой часто применяется верстак. Крепление проводится при применении обычных болтов. Важно выбрать основу, которая сможет выдержать сильную вибрацию и нагрузку. Самостоятельное изготовление опоры можно провести при использовании металлических пластин и уголков.
При точении режущей кромки может возникать сильная вибрация. Решить подобную проблему можно при использовании резиновых накладок, которые вырезаются из обычного шланга.
Установленный наждак
Чем обусловлен выбор мотора
Прежде всего, следует объяснить, почему в большинстве случаев, при изготовлении точила используется двигатель от стиральной машины. Дело в том, что старые модели, такие как «Волга», «Чайка», «Урал» и многие другие, обладали идеальными для наждака оборотами, 1000 – 1500 в минуту. Именно такая частота позволяла их активатору крутиться с оптимальной скоростью. При этом стиральные машины достаточно сильно разнились максимальной загрузкой, а значит и мощностью двигателя. В большинстве случаев она варьировалась от 200 до 400 ватт. Этого вполне достаточно, чтобы наждаком можно было затачивать даже топоры.
Тем не менее, прежде чем приступить к изготовлению, нужно обязательно изучить «шильдик» на корпусе двигателя. Это такая жестяная табличка, на которой указаны основные параметры мотора. Важно чтобы частота вращения вала не превышала 3000 об/мин. Связано это с тем, что точильный круг не рассчитан на большую угловую скорость и при превышении максимального значения, может разрушиться. Это очень опасно, особенно если учесть, что на большинстве самодельных наждаков отсутствует защита. Более того, высокая скорость вращения, приведет к перегреву затачиваемого инструмента, а значит и к потере режущих качеств.
Кроме оптимальной частоты и мощности, двигатель стиральной машины обладает еще рядом существенных преимуществ:
- Подключение к электрической сети без дополнительной переделки.
- Существующие крепления позволяют легко установить двигатель на основании наждака.
- Длина вала мотора, позволяет разместить на нем точильный камень, правда с помощью переходника.
Как поставить наждачный станок и сделать защиту
Как закрепить наждачный станок и поставить на него защиту? Можно прикрутить его к верстаку.
Для этого используйте кронштейн, который есть в стиральной машине. Чтобы снизить вибрацию во время работы, на угол надеваются резиновые прокладки, изготовить которые можно из куска шланга.
Если установка устройства происходит на деревянный верстак, покройте его сверху листом из металла, чтобы избежать возгорания.
Для собственной защиты во время использования станка установите над диском дугу из металла. Также можно усилить защиту, прикрепив на подвесках оргстекло толщиной 5 мм. За счет подвесок стекло можно поднимать и опускать.
Изготовить точильный станок самостоятельно несложно. Главное – правильно его закрепить и подключить. Также придерживайтесь правил безопасности при работе, используйте защитные очки и специальную одежду.
В настоящее время еще во многих чуланах и гаражах пылятся стиральные машины советского производства. И когда все-таки приходит время выбрасывать машинку, под внимание попадает ее электродвигатель, а возможно даже два. Ведь чаще всего мотор рабочий и из него можно сделать самодельный наждак. Ну а точило — вещь достаточно полезная и пригодится любому мастеру. Наша публикация посвящена созданию своими руками небольшого, маломощного точильного станка из двигателя стиральной машины совдеповского производства.
Почему именно из машинки производства СССР? Во-первых, двигатель в таких машинках безколлекторный, асинхронный, в отличие от современных стиральных машин, в которых обычно стоят щеточные моторы. Щетки — лишние провода при подключении, высокая вероятность необходимости их замены. Во-вторых, вал на новых моторах зачастую имеет сложное крепление к шкиву, а это усложняет адаптацию под точильный камень. Ну и в-третьих, старый двигатель проще раздобыть, вопрос конечно спорный, но думаю многие согласятся.
Совершенно не настаиваю на том, что электромотор должен быть обязательно от стиральной машины, если имеется любой другой, мощностью не менее 180 Вт, для нашего наждака можно использовать и его.
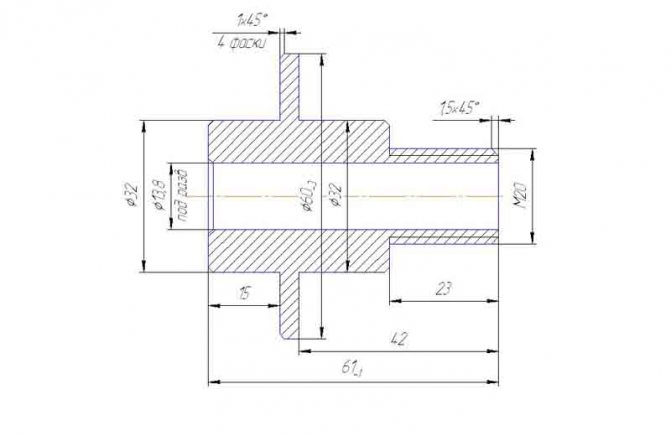
Переходник
Это единственная деталь, которую нельзя сделать своими руками. Потребуется токарный станок и, соответственно, человек, умеющий на нем работать. Для чего нужен переходник? Дело в том, что размер вала двигателя около 14мм, при этом посадочное отверстие
круга наждака, как правило, имеет диаметр 32 мм. Это значит, что их «прямое» соединение абсолютно исключено. Переходник как бы увеличивает вал мотора стиральной машины до необходимого размера.
Для изготовления понадобиться отрезок стального «кругляка», длиной приблизительно 65 мм. и диаметром 60 мм. Последняя цифра обусловлена необходимостью, так называемого фланца – неподвижной шайбы на корпусе детали, в которую одной стороной упирается круг наждака. Его толщина должна быть не менее 4-х мм. Перед фланцем вытачивается посадочное место, диаметром 32мм. Далее идет резьба «М20», на которую будет накручиваться гайка, фиксирующая круг.
Целесообразность изготовления
Ответить на вопрос нужен или не нужен ветрогенератор, каждый должен для себя сам. Но вот если вопрос стоит остро и существует лишь дилемма покупать ветряк или делать, мы приведем вам конкретные цифры. Ветрогенератор китайского производства в сборе «со всеми потрохами» и монтажом (что называется «под ключ») обойдется вам в 75 000 рублей и это по докризисным ценам. Ветрогенератор из стиральной машины, сделанный своими руками обойдется в среднем в 3500 рублей (может быть чуть дороже, если есть «напряг» с металлоломом). Как говорится, почувствуй разницу.
Разумеется, дело не только в деньгах, чтобы «довести до ума» самодельный ветрогенератор, потребуется немало времени, смекалка и «золотые руки», но в целом результат стоит того, ведь на выходе вы получите стабильное устройство мощностью 2,5 кВт. Этого хватит, чтобы по минимуму электрифицировать небольшую дачу. В частности, наш ветряк обеспечивает освещение двух комнат дачного домика, работу компьютера и небольшого переносного телевизора.
К сведению! Чтобы КПД ветрогенератора было как можно выше, необходимо сразу продумать место его установки. Идеальный вариант — открытое место.
Преимущества самодельного ветрогенератора
Основным преимуществом, определяющим выбор большинства пользователей, является разница в стоимости заводского комплекта и самодельного ветряка. Для равноценных по мощности и производительности комплектов она может составить 10- и даже 20-кратное значение. Если относительно недорогой китайский ветрогенератор обойдется в 75000 рублей, то самодельный ветряк потребует около 3500, или немного больше. Разница настолько значительна, что долго раздумывать над выбором не приходится.
Кроме того, самодельные устройства обладают рядом значительных преимуществ, незаметных на первый взгляд, но значительно облегчающих эксплуатацию и увеличивающих срок службы установки:
- высокая ремонтопригодность. Для человека, своими руками изготовившего сложное устройство, никаких проблем с ремонтом, настройкой или какими-либо конструктивными изменениями быть не может
- возможность изменения рабочих параметров. Созданное устройство не удовлетворяет потребности пользователей? Причины этого вполне понятны изготовителю, который всегда может изменить характеристики установки, добавив нужные элементы или детали
- срок службы самодельных установок практически неограничен. Любой узел, выработавший свой ресурс, заменяется на более свежий или мощный по необходимости. Установка, подвергающаяся постоянной модернизации и обновлению, в любом случае будет служить столько, сколько понадобится ее владельцу.
Часто звучат доводы о больших затратах времени и непредсказуемых результатах изготовления ветряка своими руками. Время уходит, это бесспорно. Результат полностью предсказать тоже невозможно, так как в расчет надо принимать совершенно неизвестные величины, а поведение воздушных потоков предсказать пока никто не в состоянии. Но большинство этих вопросов открыты и для купленного ветрогенератора, и, если его мощность окажется подобрана с ошибками, то деньги будут потрачены напрасно, чего не случается с самодельными комплектами.
Основание
Станина, на которой будет крепиться двигатель, не требует особых материальных затрат, но от этого не является менее значимой. Основание должно быть хорошо продумано, так как сделать наждак – не самоцель, на нем еще придется работать. При этом, все внимание должно быть сосредоточено на заточке инструмента, а не на удержании, прыгающего по всему верстаку, мотора рукой. Так работать, как минимум неудобно, а о соблюдении правил техники безопасности, в данном случае, речь не идет вообще.
Поэтому основание наждака должно быть достаточно тяжелым, а главное позволять закрепить двигатель так же, как он фиксировался на стиральной машине. Лучше всего, конечно, сделать станину металлической. Правда для этого придется использовать сварку. Если это невозможно, то следует взять подходящий кусок ДСП, и закрепить на нем болтами металлические уголки для крепления двигателя. Еще лучше, снять со стиральной машины двигатель вместе со штатным кронштейном и прикрутить его основанию. Главное использовать для этого именно болты с гайками, саморезы от вибрации могут расшататься и выкрутится.
Есть еще один ключевой момент. Высота крепления двигателя, должна не только позволять кругу наждака свободно вращаться, но и обеспечивать между ним и основанием зазор в 4 – 5 см. После того, как мотор будет надежно закреплен на станине, необходимо подумать об опорном столике. Он обязательно должен быть металлическим, сварку можно заменить болтовым соединением. Если на стиральной машине пусковой конденсатор был вынесен за корпус двигателя, на основании наждака нужно предусмотреть место и для него.
После того, как мотор будет надежно закреплен на станине и установлены все вспомогательные элементы, можно переходить к электрическим соединениям. Но сначала необходимо убедиться в том, что точильный круг надежно закреплен на валу двигателя, а так же в отсутствии различных биений.
Окончательная сборка наждака
Собственно, дело остается за малым — установить двигатель на верстак или мобильную станину и оборудовать выключателем, и сетевым шнуром. Придерживаюсь мнения, что переносная станина гораздо удобнее, нежели постоянная установка на столе или каком-либо другом месте.
Я предлагаю взять для станины фанеру 18 мм. или два слоя по 10 мм. Один важный момент — высота станины должна позволят точильному камню не задевать за основание. Для увеличения высоты можно использовать полоски той же фанеры, в качестве ножек. Для камня диаметром 125 мм. большой высоты не потребуется, а ставить больший диаметр нет особого смысла. Слишком большой камень будет тяжелым для мотора, ведь обычно в советских стиральных машинках ставили движки порядка 180 Вт.
Двигатель, пусковой конденсатор и выключатель закрепляется на станине при помощи монтажной ленты. Под мотор полезно подложить кусочки резины, для сглаживания вибраций и шумов. В качестве выключателя можно применить однополюсный автомат 16 А.
Этого нет на фото, но лишней такая деталь не будет: вентиляционные отверстия в корпусе мотора со стороны камня полезно прикрыть диском из пластика. Пластиковый диск будет препятствовать попаданию стружек внутрь, однако не будет мешать вентиляции. Как раз, для его крепления имеются резьбовые отверстия вокруг подшипника.
Собственно это все, что можно рассказать о самодельном наждаке. Стоит добавить, что в быту это очень полезная вещь, а в мастерской и тем более!
На чтение: 8 минут Нет времени?
У мастеровитого хозяина нет такого понятия, как хлам. Любой вышедший из строя агрегат или техника, — это по меньшей мере отложенная выгода. Сегодня редакция HouseChief.ru расскажет о том, как использовать с умом некоторые агрегаты старых стиральных машин. Газонокосилка, циркулярка, бетономешалка, мангал, коптильня, — вот неполный перечень полезных самоделок из двигателя и барабана от стиральной машины, о которых подробно расскажем в этом обзоре. Вас ждут пошаговые фото и видео мастер-классы с самыми простыми для воплощения, но полезными идеями, как сделать самоделки из мотора от стиральной машины.
Читайте в статье
Коллекторный двигатель
Подключение коллекторного двигателя от автоматической стиральной машины выполнить гораздо проще. Прежде всего, большинство подобных устройств имеют стандартную колодку. На нее выведено 4 (учитывая провода от датчика – 6) проводов.
Первая пара, чаще всего, белого или бежевого цвета это клеммы датчика регулировки оборотов. Они не задействуются. Вторая пара (красный и коричневый провода) – обмотка статора. Оставшиеся два (серый и зеленый) идут на щетки коллектора. В некоторых случаях цветовая схема может не совпадать, тогда надо лишь визуально определить, какие проводники подключены к щеткам, оставшаяся пара будет обмоткой статора.
Простейшая схема подключения к 220 вольт такого устройства будет выглядеть следующим образом. Напряжение подводится к одному из выводов обмотки статора и одной из щеток. Оставшиеся два вывода соединяют между собой. Если на данную схему подать напряжение ротор начнет вращаться. Поменять направление вращения просто, достаточно поменять между собой выводы щеток.
Виды движков
Разновидности движков от стиралок
Асинхронный. Вынуть его можно только вместе с конденсатором, который бывают совершенно различными для каждой модели стиральной машинки. Не рекомендуется нарушать соединение такого двигателя с батареей, если её корпус герметичен и образован из различного металла или пластика.
Внимание! Асинхронный двигатель вынимать из стиральной машины разрешается только, когда конденсатор совершенно разряжен, поскольку так можно избежать удара током.
Низковольтный двигатель коллекторного типа. Характеризуется наличием на статоре регулярных магнитов, которые поочередно подключаются к току постоянного напряжения. На корпусе такого двигателя есть наклейка, на которой помещена цифра максимально допустимого напряжения. Электронный двигатель. Такой вид устройства необходимо отсоединять только вместе с электронным блоком питания (ЭБУ), на его корпусе размещают наклейку с величиной максимально допустимого напряжения подключения. Обратите свое внимание на полярность, ведь двигатели с таким принципом работы не имеют нужного реверса.
Что делать, если мотор не запускается
Если мотор, извлечённый из машины, не запускается, то причины могут быть как механического, так и электрического характера.
Если включённый мотор не крутится, но греется, его надо быстро выключить и попытаться провернуть рукой. Если раздаётся скрежет, то следует проверить подшипники, они могли разлететься. Тогда их вместе с сальниками следует заменить.
Ещё нужно проверить, не попал ли какой-нибудь мусор в промежуток между ротором и статором.
Если механических причин не обнаружено, то следует прозвонить электрические цепи – нет ли где обрыва. В коллекторных двигателях следует проверить износ щёток и плотность их прижима к поверхности коллектора. Щётки при длительной эксплуатации изнашиваются, их надо вовремя менять.
Виды
В современных стиралках применяются три типа двигателей:
- коллекторные;
- асинхронные;
- прямого привода с инверторным управлением.
Коллекторные
Это наиболее распространённый мотор. По статистике, стоит на 85% стиральных машин.
Его преимущества:
- недорогой;
- тяговитый;
- скоростной;
- простой в управлении.
Вы стираете обувь в машине?
О-да!Нет
Мнение эксперта
Работаю в сфере ремонта бытовой техники. Большой опыт в восстановлении стиральных и посудомоечных машин.
Задать вопрос
Главным минусом этих двигателей является щёточный узел. При средней эксплуатации, его хватает на 8-10 лет. Затем нужна замена. Кроме этого щётки стачиваются и в машине на разных деталях оседает угольная пыль.
Довольно часто, это приводит к проблемам в работе СМА, которые будет трудно определить. Щёточная пыль пропускает электричество, и из-за неё возникает утечка тока, которая приводит к сбоям. В последнее время наметилась тенденция, по отходу от таких моторов. Но для недорогих моделей, коллекторные двигатели незаменимы.
Асинхронные
Менее распространённый вариант. К достоинствам относятся — отсутствие щёток, и связанных с ними проблем.
Недостатки, следующие:
- низкоскоростные;
- недостаточно тяговитые;
- сложное управление двигателем.
Ввиду этого, получили не такое широкое распространение. Существуют одно— и трёхфазные асинхронные двигатели. Для запуска первого применяется пусковой конденсатор определённой ёмкости. Для трёхфазных используется сложная система управления с помощью инвертора.
Прямой привод
По сути — это инновационный продукт, который был разработан фирмой LG, и очень широко используемый на моделях стиральных машин, которые она выпускает. Главным преимуществом этого двигателя, является отсутствие приводного ремня. Так как, мотор насажен непосредственно на вал барабан и вращает его.
Благодаря этому нет потерь на трение, а так же дополнительной вибрации. Фирма утверждает, что машины с двигателями прямого привода менее шумны, и соответственно эксплуатация более комфортная.
Минус этого решения — сложное и дорогое управление. Оно осуществляется благодаря преобразованию переменного тока в постоянный. Из-за этого, такие двигатели называют инверторными. Электронные модуля — очень сложные и не всегда подлежат ремонту.
Частые поломки: с чем можно столкнуться
Как подключить электрический двигатель от старой стиральной машинки, теперь известно. Но бывают ситуации, когда мотор не запускается. Каковы же причины и пути решения такой неприятности?
Попробуйте проверить в каком состоянии находится нагрев мотора после его трехминутной работы. За такое короткое время все детали не могут нагреться одинаково, поэтому у вас есть возможность выявить место неисправности, которое будет слишком нагрето. Это может быть узел подшипника, статор и прочее.
Разные неисправности движков
Главными причинами, по которым та или иная деталь слишком нагрелась, могут быть следующие:
- засорившийся или вышедший из строя подшипник;
- чрезмерно расширенная емкость конденсатора.
Монтаж несущей конструкции и лопастей
При возведении вертикального ветряка для дома своими руками, особое внимание уделяется основе всей конструкции, так как сам агрегат следует поднять как можно выше над землей. Это потребует более серьезных финансовых вложений, но сэкономленная энергия, со временем окупит эти затраты
Чем выше конструкция, тем выше скорость ветра, следовательно, для устройства с большими габаритами и весом, требуется подготовка фундамента.
Данная установка требует основательного укрепления и надежного основания
Лопасти у любого вида устройства следует крепить под определенным углом, как у вертикальных, так и у горизонтальных устройств.
Расположение лопастей у горизонтального агрегата
Чертеж направления лопастей вертикального устройства
Лопасти небольшого прибора, выполненные из пластика. Видно, что точно своими руками
Важно! При штормовом ветре, эксплуатация ветряков не рекомендуется, так как лопасти могут не выдержать сильной нагрузки. Предусмотрите в своей конструкции средство аварийной остановки ротора
Как работает асинхронный двигатель?
Чтобы разобраться с принципом его работы, вспоминаем ту же картинку, что в примере предыдущем: рамка (но без полуколец) размещена между магнитными полюсами. Магнит выполнен в форме подковы, концы которой соединены.
Начинаем его медленно вращать вокруг рамки, следя за происходящим: до какого-то момента движения рамки не наблюдается. Затем, при определенном угле разворота магнита, она начинает вращаться за ним со скоростью меньшей, чем скорость последнего. Работают они асинхронно, поэтому моторы называются асинхронными.
В реальном электродвигателе магнит — это размещенная в пазах статора, на которые подается ток, обмотка. Ротор же является рамкой. В его пазах находятся соединенные накоротко пластины. Его так и называют – короткозамкнутый.
Основа домашнего ветрогенератора
Тема изготовления и установки самодельных ветряных генераторов очень широко представлена в сети Интернет. Однако большая часть материала – это банальное описание принципов получения электрической энергии от природных источников.
Теоретическая методика устройства (установки) ветрогенераторов уже давно известна и вполне понятна. А вот как обстоят дела практически в бытовом секторе – вопрос, раскрытый далеко не полностью.
Чаще всего в качестве источника тока для самодельных домашних ветрогенераторов рекомендуют выбирать автомобильные генераторы или асинхронные двигатели переменного тока, дополненные неодимовыми магнитами.
Процедура переделки асинхронного электродвигателя переменного тока под генератор для ветряка. Заключается в изготовлении «шубы» ротора из неодимовых магнитов. Крайне сложный и долговременный процесс
Однако оба варианта требуют существенной доработки, нередко сложной, дорогостоящей, отнимающей много сил и времени.
Куда проще и легче во всех отношениях установить электродвигатели, подобные тем, что выпускались прежде и выпускаются теперь фирмой Ametek (пример) и другими.
Для домашней ветрогенераторной установки подходят моторы постоянного тока напряжением 30 – 100 вольт. В режиме генератора от них можно получить примерно 50% от заявленного рабочего напряжения.
Следует отметить: при работе в режиме генерации электродвигатели постоянного тока требуется раскручивать до скорости выше номинальной.
При этом каждый отдельно взятый мотор из десятка одинаковых экземпляров, может показывать совершенно разные характеристики.
Поэтому оптимальный подбор электродвигателя к домашнему ветрогенератору логичен при следующих показателях:
- Высокий параметр рабочего напряжения.
- Низкий параметр RPM (угловая скорость вращения).
- Высокое значение рабочего тока.
Так, удачным под установку выглядит мотор производства фирмы Ametek с рабочим напряжением 36 вольт и угловой скоростью вращения — 325 об/мин.
Именно такой электродвигатель используется в конструкции ветрогенератора – установки, что описана ниже в качестве примера домашнего ветряка.
Мотор постоянного тока для домашнего ветрогенератора. Оптимальный вариант из числа продуктов, изготовленных фирмой Ametek. Также удачно подходят подобные электродвигатели производства других фирм
Проверить эффективность любого похожего мотора несложно. Достаточно подключить к электрическим выводам обычную автомобильную лампу накаливания на 12 вольт и крутануть вал мотора рукой. При хороших технических показателях электродвигателя лампа обязательно зажжётся.
Электрическая схема стиральной машины
Хорошо разбираться в электрической схеме стиральной машины каждый рядовой пользователь совсем не обязан. Это необходимо тем, кто занимается ремонтом этого представителя сложной бытовой техники. Но общее представление об её устройстве не помешает никому.
Основные узлы стиральной машины ФОТО: 1stiralnaya.ru
Любая стиральная машина состоит из механической и электрической части. К механике относится корпус, дверца, барабан, все подшипники и шестерёнки. Для амортизации машины от тряски при отжиме установлены пружины. Подача воды в машину и слив из неё происходят по шлангам, которые закреплены в патрубках с уплотнениями. В системе слива на выходе установлен сливной насос. Для загрузки стиральных средств в машину встраивается трёхсекционный лоток.
К электрической части относятся электродвигатель, электрическая схема его включения, двигатель сливного насоса, комплекс устройств, формирующих алгоритм и безопасность процесса стирки.
Электрическая схема стиральной машины, в первую очередь, предназначена для включения мотора.
Электромотор и барабан – это детали, легко переходящие в другую жизнь. Особенно, мотор. Существуют модели, оснащённые двумя электродвигателями: один – основной для стирки, со скоростью вращения около 2000 оборотов в минуту, а второй – скоростной для центрифуги отжима, со скоростью вращения около 3000 оборотов в минуту.
Система управления реализует выбранную хозяйкой программу стирки. В старых машинах они базируются на реле времени, в современных машинах это электронные системы. На каждую операцию программы выделяют определённое время, формируют команду на включение двигателя в ту или другую сторону. В некоторых моделях имеется третий электромотор, который приводит в действие кулачковое программное устройство.
Схема управления контролирует температуру обмоток двигателя с целю защиты его от перегрузки. Датчики уровня и давления дают информацию для управления подачей воды. Нагрев жидкости для стирки тоже происходит в самой машине. Регулятор температуры (термостат), работающий в комплекте с датчиком температуры, включает и выключает электрические нагреватели. Если двигатель в машине с переменной скоростью, то в системе управления предусмотрен датчик скорости (тахогенератор).
Хозяин задаёт машине свои желания с панели управления, расположенной в верхней лицевой части корпуса машины.
Для безопасности пользователя во всех машинах предусмотрена система блокировок. Она не позволяет включить мотор при открытой загрузочной дверце и открыть дверцу при наличии в машине воды. Обратный клапан на подающей воду трубе защищает от затопления.
Стиральная машина подключается к электросети трёхполюсной вилкой с заземлением.
Направление движения наждака
Перед тем как собирать наждак для заточки ножей своими руками, важно разобраться с направлением движения ротора. При использовании двигателя от стиральной машины направление вращения меняется. Двигатель асинхронный. А это значит, что нет никаких препятствий для изменения направления вращения ротора. Поэтому достаточно просто поменять концы обмотки местами.
Для начала необходимо определить, какая обмотка предназначена для запуска двигателя, а какая для основной работы. Для этого понадобится тестер, который поможет измерить сопротивление. В первом случае значение должно достигать 30 Ом. Сопротивление в рабочей обмотке гораздо ниже и составляет 12 Ом.
Обмотка, отвечающая за рабочий процесс, подключается к электрической сети. Пусковая обмотка соединяется одной стороной с катушкой. Со второй стороны подсоединяется на непродолжительный период к выводу обмотки. Для этого используется реле. Двигатель запускается.
Таким нехитрым образом, поменяв между собой концы обмотки, необходимой для запуска мотора, изменяется направление движения ротора. Можно обойтись даже без реле. В таком случае необходимо вручную покрутить наждачный круг в нужную сторону.
Правильное подключение движка
Для правильного подключения двигателя, который остался от старой стиралки, достаточно минимальное количество знаний и немножко усилий. Также для данной цели используется обмотка с применением мультимера. Для обнаружения нужных проводов, требуется провести прозвон обмотки. Это позволит подобрать нужные пары для подсоединения. Делается все очень просто. Мультимер подключается к одному проводу, а вторым концом прибора стоит по очереди касаться к другим проводам, чтобы найти нужную пару. Также стоит зафиксировать заранее, какая присутствует величина сопротивления обмотки. В дальнейшем эта информация пригодится. После окончания процедуры прозвона, у вас должно получиться 2 обмотки, которые бы имели разные показатели сопротивления.
Данные обмотки делятся на два совершенно разных типы. Одна обладает показатель рабочего сопротивления. Второй вид обмотки относится к числу пусковых деталей. Известно, что величина сопротивления рабочей обмотки должна быть меньше пусковой. Для того, чтобы мотор от стиралки работал полноценно нужно использовать или кнопку, или специальное пусковое реле. В качестве кнопки можно взять даже ту, которая устанавливается для дверного звонка. Главное, чтобы она не имела фиксируемого контакта.
Новая жизнь старого мотора – использование в других целях
Процесс подключения движка, который остался от старой стиралки невероятно простой и легкий. Достаточно найти ему правильное и полезное применение. Тогда он сможет послужить вам еще некоторое время. Можно поэкспериментировать и сделать действительно полезное оборудование, которое упростит вашу жизнь в других сферах. Немного фантазии и умений достаточно, чтобы все получилось.
Прежде, чем говорить о подключении двигателя стиральной машинки, нужно понять, что он собой представляет. Возможно, кому-то схема подключения электродвигателя стиральной машины давно известна, а кто-то услышит впервые.
Двигатель электрический – это работающая от электричества машина, служащая для разных механизмов приводом, т.е. приводящая их в движение. Выпускают асинхронные и синхронные агрегаты.
Регулирование оборотов
Для исправной работы нужен регулятор оборотов
Двигатель стиральной машинки характеризуется довольно высокой скоростью вращения, поэтому желательно сделать специальный регулятор, чтобы мотор молот работать в разных скоростных режимах без перегрева. Для этой цели можно использовать обычное реле интенсивности света, но немного доработанное.
Нужно извлечь из «стиралки» симистор вместе с радиатором – так называемый полупроводниковый прибор (в управлении электронами он функционирует в качестве управляемого выключателя). Затем необходимо впаять этот прибор в микросхему реле, заменив детали с малой мощностью. Если вы не знаете все нюансы данной процедуры, лучше попросить помощи специалиста (электронщика или компьютерщика).
Бывают случаи, когда двигатель выполняет новую работу без помощи регулятора оборотов.
Испытания самодельного устройства
Процесс изготовления генератора из двигателя стиральной машины завершен, остается испытать его в деле. Для выполнения проверки понадобятся:
- выпрямитель;
- мультиметр;
- контролер зарядки;
- аккумуляторная батарея от мотоцикла;
- самодельный электрический генератор.
Продумайте, каким образом будет осуществляться вращение. Пальцами это делать не получится, так как не сможете создать нужное количество оборотов. Рекомендуем использовать электрическую дрель либо шуруповерт.
Определяем на подготовленном приборе пару рабочих проводов, остальные отрезаем. Провода подсоединяем через выпрямительное устройство к контроллеру зарядки, и далее – к аккумулятору. Фиксируем крепления мультиметра на аккумуляторные клеммы – генератор к испытаниям подготовлен.
Генераторный шкив заряжаем в патрон электроинструмента, с помощью которого будет выполняться раскрутка, и даем обороты в пределах 800 – 1000 вращений. В результате, при умеренном залипании магнитов, должно получиться 270 Вольт, что окажется вполне приемлемым показателем.
Сравниваем плюсы и минусы установки
Ветрогенераторы используют уже многие годы, их конструкции постоянно совершенствуются, а ветер – легкодоступный источник энергии.
Устройства, работающие от него, абсолютно безопасны для экологии и удобны, т.к. располагаются на мачтах и не занимают полезную площадь. Их просто обслуживать и ремонтировать.
Из-за нестабильности работы ветрогенераторов приходится изобретать способы обеспечения домов дополнительной энергией. Хороший вариант – сочетание ветряных и солнечных установок
Ветряки шумят при работе. Звук может быть громче или тише, но есть он всегда. Иногда это мешает владельцам домов и даже соседям.
Можно отметить и другие неудобства. Ветер – непредсказуемая стихия, поэтому работа генераторов нестабильна и приходится аккумулировать энергию, чтобы не остаться без электричества в периоды штиля.
Синхронные двигатели
Еще со школьной скамьи известно, что, приближая близко магниты, они притягиваются или же отталкиваются. Первый случай возникает у разноименных магнитных полюсов, второй – одноименных. Речь идет о постоянных магнитах и присутствующем постоянно создаваемом ими магнитном поле.
Кроме описанных, есть переменные магниты. Все помнят пример из учебника по физике: на рисунке изображен магнит в форме подковы. Между его полюсами помещена рамка, выполненная в форме подковы и имеющая полукольца. На горизонтально расположенную рамку, подавали ток.
Поскольку магнит отталкивает одноименные и притягивает разноименные полюса, вокруг этой рамки возникает электромагнитное поле, которое разворачивает ее вертикально. В результате на нее поступает противоположный первому случаю по знаку ток. Изменяющаяся полярность вращает рамку и вновь возвращает в горизонтальную плоскость.
На этом принципе и основана работа синхронного электродвигателя.
В реальной схеме ток подается на обмотки ротора, являющегося рамкой. Источником, создающим электромагнитное поле, являются обмотки. Статор выполняет функции магнита.



















