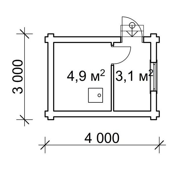
Размеры бани 3х4 метра считаются середнячком. Это не совсем скромные размеры, на которых можно разместить все помещения. Внутри будут вполне комфортно себя чувствовать 4–5 человек. При этом пофантазировать и прибегнуть к таким изыскам, как обустройство просторной комнаты отдыха, не получится. Приходится чем-то жертвовать, чтобы создать уютное и комфортное помещение.
Баня 3 на 4 из бруса или блоков: проект, планировка
Размеры бани 3х4 метра считаются середнячком. Это не совсем скромные размеры, на которых можно разместить все помещения. Внутри будут вполне комфортно себя чувствовать 4–5 человек. При этом пофантазировать и прибегнуть к таким изыскам, как обустройство просторной комнаты отдыха, не получится. Приходится чем-то жертвовать, чтобы создать уютное и комфортное помещение.
Планировка помещений бани 3х4
Начать нужно не с традиционного расположения комнаты отдыха, а с оборудования парной. Место под нее необходимо выделить столько, чтобы на полке мог свободно расположиться лежа человек среднего роста. То есть это примерно 2 метра. Вдоль стены необходимо расположить лежак, чтобы принимающие процедуры могли прилечь на лавку, не подгибая ног. В длину парное отделение рассчитывается по усмотрению хозяина. Обычно это 1,5–2 метра. На этом пространстве можно расположить двухъярусный лежак, и, при этом, должно остаться место, чтобы при входе стояли 1–2 человека.
Необходимо максимально внимательно отнестись к внутренней отделке и планировке. Условие расположения нескольких уровней лежаков считается оптимальным вариантом. Минимальная ширина каждого от 40 до 50 см. При этом верхняя полка всегда должна быть немного шире.
Учитывая характеристики внутреннего обустройства на парилку необходимо выделить от 1,8 до 2 метров. Остальные помещения либо делятся пополам, или же под моечное отделение выделяется немного больше места. Многие поступают наоборот и жертвуют площадью ради просторной комнаты отдыха.
Есть варианты планировки бани 3х4 и со вторым этажом. Но в таком варианте полноценные помещения не получится сделать. Максимум на что можно рассчитывать – установка пары стульев или, вовсе, организация места для хранения банных принадлежностей. Дополнительно увеличить площадь можно пристройкой летней веранды. При желании и возможностях помещение остекляют, проводят отопление и пользуются им круглый год. Учитывая это, крыша бани с верандой, в бане размерами 3х4 не такой уж и востребованный вариант.
Возможные проекты
На самом деле, даже на небольших квадратах можно спроектировать различные варианты расположения помещений. Чтобы «выжать» максимум из площади, вход в моечное отделение делают сразу с улицы, без тамбурного помещения. Но, в таких вариантах необходимо подумать об изготовлении надежной дверной коробки и ее дополнительном утеплении. Нужно добавить, что баня с такой планировкой используется строго по назначению. Посидеть и отдохнуть будет негде.
Компенсируется недостаток большим помещением парной и моечного отделения. Здесь позволяется регулировать размеры. Печь размещается в парной. Неплохо, если растапливаться она будет из моечного отделения. В относительно небольших пространствах необходимо сделать качественную вентиляцию. В парной это будет два вытяжных отверстия, а в моечном отделении окно. Дополнительный приток воздуха будет осуществляться за счет естественной вентиляции.
Еще один вариант рассчитан на ценителей банного искусства. От общей площади половина отдается под комнату отдыха, где на входе располагается небольшой тамбур как вспомогательное помещение. Моечная заменяется душевой кабиной. Но это не запрещает расположить на небольшом пространстве пару тумб или лавочек для установки тазов.
Парная занимает небольшое пространство 2–2,5 м/2. Этого вполне достаточно для принятия процедур. При этом три человека будут себя чувствовать на этой площади вполне комфортно. В такой планировке можно немного скорректировать пространство в сторону увеличения площади парилки. Делается это в процессе составления проекта, потому что кардинально менять все, начав возведение бани, нельзя.
Из чего будем строить?
В такой планировке баню можно сделать из кирпича или производных от него материалов. Отлично проявили себя блоки из полистирола или керамзита. У них высокая степень прочности, низкая теплопроводность и достаточный ресурс, позволяющий выстаивать строениям в течение длительного времени. Большие размеры упрощают процесс строительства. Бани из блоков можно возвести под крышу практически за неделю.
Нюансы возведения
Блоки имеют небольшой вес, поэтому от закладки сложной ленточной основы можно отказаться. Достаточно будет свайно-винтовых опор. При условии, что на месте строительства в грунте проходят подземные воды, прочные и защищенные от коррозии сваи будут как нельзя кстати.

Рассматривая выбор фундамента для бани, в расчет необходимо взять тип печи. На таких габаритах возможна кладка каменки, потому основу под нее тоже необходимо продумать заранее. При этом, вне зависимости от варианта обустройства, фундамент для печи лучше сделать как единую площадку, залив ее сплошной плитой.
Возведение стен
Кладка блоков идентична работе с кирпичом. Начинается процесс с выведения углов. Затем по натянутой веревке, производится кладка всей стены. При необходимости через 4–5 рядов, стены связываются армированием. В местах установки дверей и оконных рам, оставляется пространство. Верхняя перемычка выполняется из металлического швеллера или железобетонного блока.
Подняв стены под кровлю, устанавливаются крепления под мауэрлат. На этом этапе нужно остановиться и, закрыв контур коробки, оставить ее в покое на пару месяцев для усадки. В отличие от кирпича, для этого потребуется меньше времени. По истечении срока, можно переходить к решению остальных задач.
Сборка кровельной конструкции
Никаких архитектурных изысков здесь нет. Оригинально можно оформить и односкатную крышу,важно добиться главного – снижения утечки тепла через крышу. Утепление и гидроизоляция чердачного пространства проводится согласно всем правилам. Покрыть крышу можно любым материалом. Даже при конструировании двускатной кровли общая площадь не будет оказывать особой нагрузки на стены бани.
Проводка коммуникаций
Еще на этапе планировки помещений необходимо продумать подводку всех коммуникационных линий. Канализация и водоотвод прокладываются в подпольном пространстве. Все линии необходимо дополнительно изолировать. Если фундамент используется свайный или столбчатый, то придется продумать еще и обустройство цоколя, затем закрыть его и дополнительно утеплить. Это позволит не только защитить коммуникации от холода, но и снизить вероятность промерзания полов в бане.
Утепление стен
Хотя блоки, в производстве которых используются материалы, относящиеся к классу теплосберегающих (полистирол или керамзит), отлично справляются с задачей, дополнительное утепление стен бани, все же, необходимо. Обычно делается это снаружи. Строение обшивается сайдингом, а в обрешетку предварительно собранную для этих целей, укладывают теплоизоляционный материал.
Изнутри стены только обшивают вагонкой, предварительно закрыв их паро- и гидроизоляцией. Пленки, используемые для этих целей, защитят материал от циркуляции паров, влага от которых разрушающе действует на любой материал. Укладка теплоизолятора потребуется только в парилке, где просто необходимо поддержание высокой температуры.
Баня размерами 3 на 4 метра снаружи может показаться не слишком просторной. Иллюзию можно опровергнуть, заглянув внутрь. Сегодня такие габариты пользуются высоким спросом и считаются самыми востребованными для семей со средним достатком.
Дачный отдых
Для установки нового строения для парной необходимо выбрать свободную площадь. Особенные критерии для выделения участка определяет исключительно сам владелец.
Например, у кого предрасположенность к простуде, тот предпочитает ставить баню поближе к жилой постройке.
Если человек мыслит, как инженер, его будут интересовать технические вопросы, например, как удобнее подвести трубопроводы снабжения или газовую магистраль.
При всем при этом не хочется, чтобы баня находилась рядом с местом отправления естественных надобностей (если, конечно, у вас не септик) или мусорной ямой.
Нередко пользователи предпочитают ставить баню в стык с основным строением, обеспечивая должный уровень тепла и пароизоляции.

Другое направление планирования места установки строения под баню исходит из данных геологических исследований. Конечно, если планировка бани 4х6 подразумевает создание дренажа для водоотведения, тогда требования к качеству грунта могут быть не такие высокие.

Нередко традиционный проект не подразумевает создание специальной канализации, в этом случае планируется усиленный фундамент и выбирается место с низким уровнем грунтовых вод.
Места большого скопления влаги обычно исключаются из проекта 5х6. При этом необходимо выдержать удаление от следующих объектов:
- от колодца – не менее 5 метров;
- от туалета и мусорной ямы – не менее 8 метров;
- от жилого строения – не менее 8 метров.
Если вам действительно повезло и ваш участок находится недалеко от воды, имеет смысл поставить баню с выходом к водоему. В этом случае снимается вопрос с планировкой и установкой бассейна, сразу после парной можно окунуться в прохладную воду озера.
Вторым преимуществом близкого расположения участка к воде является возможность организации автономного водоснабжения
Когда вопрос с местом решен, стоит задуматься о самом проекте. В план отражаются такие параметры, как количество и назначение помещений, размеры парильного и моечного отделений, наличие дополнительных отсеков, этажность.
Вопреки действующим стереотипам, проект бани стоит дорого. Это так, если приобретать схему постройки в строительной компании. Однако никто не запрещает использовать шаблонные наработки. Мы предоставляем в данной статье необходимые чертежи и схемы, по которым можно наработать свой личный проект расположения функциональных элементов.
К примеру, планировка бани 6х4 может быть легко получена пропорционально из проекта другой кратности, где располагаться мойка и парилка будут отдельно или смежно.
Мойка и парилка
Проекты бань из бруса 3х4 – отличительные особенности
У вас есть загородный дом или дача, и на территории прилегающего к ней участка вы планируете построить небольшую парилку с душевой? В таком случае, вам необходим проект бани из бруса 3х4.
Такая постройка при малых габаритах характеризуется рациональным расположением помещений и удобством эксплуатации.
Типовой проект 3х4
Что собой представляет проект бани
Разновидность типового чертежа
Строительство любого здания предполагает наличие проектной документации. На основе правильно разработанного проекта можно составить смету строительных материалов. В результате, можно будет избежать недостатка или перерасхода стройматериалов, что благоприятно отразится на себестоимости готового результата.
Кроме того, проект — это точная инструкция, на основе которой можно будет с максимальной точностью рассчитать объём предстоящих работ и, как следствие, выяснить предварительные сроки их реализации.
Важно: проектная документация является необходимым условием для беспроблемной постановки строительного объекта на учет в кадастровых органах.
3D-модель бани
Типовые проекты бань из бруса 3 на 4включают следующую комплектацию:
- Опорно-столбчатый фундамент (при необходимости могут быть указаны другие типы основания,соответствующие тому или иному типу почвы);
- Несущие внешние стены из профилированного клееного или цельного бруса 140×90 мм;
- Внутренние каркасно-щитовые перегородки;
- Потолки бани высотой 2,20 метра;
- Окна: 1 шт — 800×800 мм, 1 шт — 600×600 мм;
- Банные двери – 2 шт, филенчатые двери – 1шт;
- Утепленные двойные полы ISOVER или URSA с толщиной 50 мм;
- Настил пола дощатый из строганной шпунтованной доски толщиной 27 мм;
- Кровельная система с применением материалов марки ONDULINE (цвета по каталогу RAL);
- Стропильная система, простроенная с применением бруса 100×50 мм, с шагом 1 метр;
- Потолочное перекрытие бани на основе утеплительных материалов ISOVER или URSA толщиной не менее 50 мм;
- Парилка,обшитая вагонкой (осина)с подкладкой из пароизолирующего фольгированного материала;
- Двухъярусные полки в парилке;
- Моечное помещение с душевым поддоном.
Важно: по желанию заказчика в проекты бани 3х4 из бруса могут быть внесены те или иные изменения, которые повлияют на комплектацию и на стоимость постройки.
На фото объект, возведённый по типовому проекту
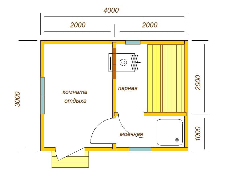
Проекты бань 3 на 4 включают такие помещения как:
- Комната отдыха – 5.04м²;
- Парная – 3.33м²;
- Душевая – 1.81м².
Судя по назначению помещений, можно предположить то, что такая баня — это оптимальный вариант для эксплуатации в теплое время года. Для всесезонного применения постройки комнату отдыха придется использовать в качестве предбанника. Можно дополнить это помещение перегородкой и разделить комнату отдыха на небольшой предбанник и на помещение для отдыха.
Преимущества
Баня 3х4 – вид сверху
Выбор проекта бани 3 на 4 гарантирует ряд преимуществ, среди которых:
- Невысокая цена стройматериалов за счет их малого количества и экономного расходования. Брус от большинства производителей выпускается с длиной балки 6 метров. Таким образом, на стены протяженностью 3 метра брус пилится надвое и применяется без отходов.
- Сжатые сроки реализации строительных работ. Проектная документация, как вы уже могли убедиться, не изобилует сложными элементами и трудновыполнимыми архитектурными решениями. Поэтому справиться со строительством в соответствии с планом будет несложно даже своими руками.
- Долговечность и надёжность постройки. Проекты бань 3на 4, независимо от комплектации,предусматривают использование высококачественных современных строительных материалов, которые позволяют достичь оптимальных результатов.
- Отсутствие трудностей при регистрации объекта в кадастровых органах. В принципе баню можно и не ставить на учет. Но, если вы впоследствии планируете выгодно продать свой загородный дом на рынке вторичной недвижимости, лучше оформить постройку официально. Постановка бани на учет также необходима для ее страхования. Регистрация бани,построенной без проекта,потребует дополнительных временных и материальных трат, в то время как наличие проектной документации существенно упростит процедуру.
Где заказать
Проектная документация — это не только чертеж постройки с видом сверху,но и масса нюансов, которые необходимы для эффективного строительства. Поэтому план постройки целесообразно заказывать в специализированных проектных бюро. Если строительство дома проводится не самостоятельно, а с привлечением специализированных организаций, то типовой проект объекта, чаще всего, предоставляется бесплатно.
Важно: в случае заказа проекта в бюро, чертеж может быть профессионально доработан с учетом особенностей строительной площадки и пожеланий заказчика.
Особенности строительства бани в соответствии с проектом
Бани из бруса относятся к категории быстросборных строительных объектов.
Столбчатый фундамент и нижний венец
Возведение постройки многоэтапное и включает следующий перечень работ:
- Закладка столбчатого фундамента (опционально может быть применено ленточное вентилируемое основание);
- Гидроизоляция фундамента;
- Укладка нижнего венца с угловым соединением «в лапу»;
- Возведение стен с использованием межвенцевого уплотнителя;
- Укладка подшивного потолка;
- Строительство стропильной системы;
- Изготовление кровельного пирога;
- Возведение перегородок;
- Изготовление окосячки дверных и оконных проемов;
- Изготовление систем лаг и настил напольного дощатого покрытия.
На фото кровельные материалы, предусмотренные базовой комплектацией
Заказывая строительство бани в базовой комплектации по проекту 3 на 4, будьте готовы к тому, что вы получите постройку без полок, печи и прочего оборудования, необходимого для полноценной эксплуатации. Для того чтобы получить объект,полностью готовый к использованию, следует заказывать постройку бани под ключ.
Вывод
Теперь вы знаете, зачем нужен проект и какие преимущества гарантирует его использование. Планируя постройку бани на загородном участке, в обязательном порядке используйте проектную документацию для того чтобы заранее иметь исчерпывающее представление о том, что вы получите в итоге. Больше полезной информации вы сможете получить, посмотрев видео в этой статье.
Общие сведения
Любое строительство, пусть даже это баня размером 3х4 метра, предполагает наличие проектной документации. Она необходима не только для расчета материалов и составления сметы, но и в качестве инструкции по выполнению строительных работ.
Чертеж бани из бруса 3х4, который будет перед глазами в процессе строительства, позволит избежать ошибок на всех этапах работы. Поэтому не стоит пренебрегать подготовкой проекта даже при возведении таких небольших зданий.
Трехмерный проект бани 3х4
Проекты каркасных бань
Особенности каркасных бань видны как при постройке здания, так и при дальнейшей его эксплуатации. Для таких строений не нужно подготавливать фундамент особенным образом, ведь сам каркас и облицовочные материалы из дерева достаточно легкие для того, чтобы не проседать даже при установке на довольно рыхлой земле.
Большой популярностью каркасные бани пользуются в силу их экономности, компактности и практичности. Небольшое помещение каркасной бани обычно разделено на компактную парную, где может разместиться около четырех человек, душевую и комнату отдыха. Обязательно также наличие в проекте небольшой террасы либо крыльца.
Обширные по площади бани обычно строятся более фундаментальным способом с использованием таких материалов, как кирпич либо брус, но, тем не менее, иногда встречаются даже двухэтажные каркасные сооружения. Среди явных преимуществ данного типа строений можно выделить простоту в установке, рекордную скорость сбора строения, сравнительно небольшую стоимость строительных материалов и работ.
Благодаря всем вышеуказанным факторам, россияне заказывают проекты каркасных бань намного чаще, чем постройку кирпичных банных сооружений.
Каркасная баня 6х4
Особенностью компактной каркасной бани 6 на 4 является необычная форма ее террасы и комнаты отдыха, которая зрительно помогает расширить пространство небольшого помещения.
Каркасная баня 3х4
Вариант 3 на 4 отлично подойдет для отдыха небольшой компании.
Каркасная баня 4х5
Классическая русская баня 4 на 5 состоит из санузла, парной и комнаты отдыха.
Каркасная баня 5,4х6,3 м
Данный проект является достаточно вместительным для отдыха небольшой компании друзей и одновременно настолько компактным, чтобы поместиться даже на небольшом либо почти полностью застроенном участке земли.
Каркасная баня с террасой
Небольшая терраса придает особенной миловидности бане, построенной по представленному проекту, делая ее похожей на миловидный деревенский домик.
В действительности внутри здания расположена не только традиционная парная и комната отдыха, но и раздельный санузел, и спальня, что делает такую баню вполне пригодной для проживания.
Небольшое такое строение может быть построена всего за несколько дней, а прослужить вам долгие годы.
В данном проекте присутствуют все необходимые составляющие для комфортного отдыха.
Каркасная баня 5.25×5.25 м
Небольшая каркасная баня с большим крыльцом либо маленькой террасой может послужить настоящим украшением вашего двора.
Помещение состоит из комнаты для отдыха, помывочной и парной.
Красиво выделенный фундамент и естественный цвет краски для дерева делают данный проект особенно миловидным снаружи. Внутри бани дополнительно присутствует небольшой тамбур, защищающий помещение от морозов.
Следующий вариант особенно примечателен своей двойной остроконечной крышей. Такое строение предоставляет возможность обустроить второй дополнительный мансардный этаж.
Благодаря компактным размерам бани, банная печь может справиться с обогревом всего помещения в любую погоду.
Высота потолков мансарды приемлема даже для высокого человека, благодаря особенной форме крыши.
Каркасная баня 6х8
Достоинства этого варианта состоят в том, что внешне строение смотрится довольно симпатично, а внутри помещение имеет еще и небольшой мансардный этаж.
Первый этаж помещение оборудован отдельным тамбуром и холлом, что обеспечивает надежную защиту от непогоды.
Мансарда является довольно просторной и вместительной.
Русская баня по каркасной технологии 6х6
Помещение 6х6 с парной и моечной – классический вариант русской бани.
В здании имеется все необходимое для комфортного времяпровождения небольшой компании людей, как внутри помещения, так и на просторном крыльце, которое смело можно назвать небольшой открытой террасой.
Большая каркасная баня 78 кв.м.
Особенностью данного проекта является обилие витринных окон в оформлении, которые придают помещению особенной элегантности.
Внутри здания находится полноценный бассейн, сауна и турецкая парная.
proekt-banya.ru>
Материалы
В настоящее время существует огромное количество материалов, из которых можно построить баню. Чтобы не ошибиться с выбором, следует взвесить плюсы и минусы каждого типа.
Срубовая баня
Традиционно баня на Руси возводилась исключительно из сруба. Сейчас такие постройки высоко ценятся, так как природный материал является экологически чистым, обладает терапевтическими свойствами и оказывает благотворное влияние на организм человека.
Рассмотрим достоинства срубовых бань:
- хорошо сохраняют тепло и быстро протапливаются;
- экологически чистый материал безопасен для здоровья человека;
- срубовые постройки имеют низкий уровень усадки;
- рубленые бани обладают хорошей звукоизоляцией;
- благодаря тому, что для постройки достаточно возведения ленточного фундамента (деревянный сруб – достаточно легкая конструкция), можно сэкономить немалую сумму и время;
- древесина обладает естественной вентиляцией, такая баня считается «дышащей»;
- можно купить уже готовый сруб и сэкономить силы и время на постройку сооружения;
- баня из бревен обладает отличными декоративными свойствами и отлично смотрится на загородном участке;
- древесная смола, которая выделяется от нагрева помещения, приятно пахнет, что создает внутри постройки особую атмосферу.
Однако у срубовых бань есть и свои недостатки, которые следует учитывать при строительстве:
- древесный материал легко воспламеняется и поддерживает горение, поэтому имеется повышенный риск возникновения пожара, при постройке и эксплуатации следует соблюдать технику пожарной безопасности;
- дерево впитывает всю лишнюю влагу и испарения, из-за этого материал может начать гнить, на нем образовываться плесень и грибок (предотвратить нежелательные процессы помогут особые пропитки и антисептики, которыми обрабатывают древесину на этапе строительства);
- между бревнами образовываются швы, которые необходимо герметизировать, чтобы избежать теплопотери.
Все большую популярность завоевывают постройки, возведенные по каркасной технологии.
Дома и бани на каркасе получили свою распространенность благодаря очевидным достоинствам таких сооружений:
- для легкой каркасной постройки не требуется возведение фундамента, что экономит большое количество времени, сил и денежных средств (каркас устанавливается непосредственно на сваи);
- отсутствие фундамента делает сооружение устойчивым в случае сейсмических колебаний;
- бани и дома, выполненные по каркасной технологии, являются экологически чистыми и безопасными для человека;
- строить объект можно при низких температурах (до 15 градусов мороза);
- топить баню можно сразу после завершения возведения;
- постройка отлично держит тепло и быстро нагревается, при этом материал способен «дышать» (отлично пропускает и выпускает воздух);
- сооружение можно возвести даже в одиночку.
У каркасной бани также есть и недостатки:
- отделка, утепление, гидроизоляция потребует немало вложений, так как использование дешевых и некачественных материалов может причинить вред здоровью (при сильном нагреве выделяются токсичные летучие вещества, к тому же недорогой пенопласт легко воспламеняется, а доступная по цене минеральная вата может не обладать необходимыми свойствами, удерживающими тепло);
- фундамент каркасной постройки дает усадку (до 10 см за 2 года).
Кирпичная баня
Такую баню встретишь нечасто. Однако данный материал вполне пригоден для постройки этого строения.
Рассмотрим все «за» и «против», чтобы оценить рациональность выбора в пользу кирпича. Достоинствами кирпичной бани являются:
- устойчивость к механическим повреждениям;
- постройка будет служить не один десяток лет;
- жаропрочный материал не горит и не поддерживает огонь, а поэтому строительство бани безопасно даже на небольшом расстоянии от жилых построек;
- кирпич не впитывает влагу, не гниет, на нем и внутри не образуется плесень;
- материал долго сохраняет и отдает тепло;
- баню из кирпичей легко возвести, даже если проект подразумевает сложные архитектурные элементы;
- любое кирпичное сооружение выглядит фундаментально и привлекательно.
Однако у таких бань есть ряд недостатков, которые делают строительство бань из кирпича непопулярным:
- материал является очень дорогим;
- для возведения необходим усиленный фундамент;
- кирпичная баня очень долго нагревается, необходимо затратить много времени и топлива для создания необходимого микроклимата;
- внутри обязательно необходимо произвести отделку и теплоизоляцию.
Данный материал является сравнительно молодым и не успел еще завоевать доверие, поэтому оценить степень надежности бань из газобетона достаточно сложно.
К несомненным плюсам материала относят такие характеристики:
- газобетонные блоки имеют пористую структуру, которая позволяет создавать хорошую теплоизоляцию;
- материал имеет невысокую стоимость, поэтому широко распространен;
- данный материал прочен, при этом его легко распилить и подогнать до нужного размера;
- блочные постройки безопасны для здоровья человека;
- материал не гниет, внутри и на поверхности не разводится плесень;
- баню из газобетонных блоков можно построить в одиночку;
- для возведения достаточного облегченного ленточного фундамента.
Отрицательные свойства блоков могут повлиять на выбор данного материала:
- из-за пористой структуры блоков материал впитывает большое количество влаги, которая очень долго высыхает;
- чтобы просушить помещение, необходимо обеспечить качественную вентиляцию в виде окон, а такая мера ведет к большим теплопотерям, которые особенно заметны в парилке;
- любая постройка из газобетонных блоков нуждается во внешней и внутренней отделке;
- чтобы произвести грамотную гидроизоляцию, необходим герметик, который во время сильного нагрева может выделять летучие токсины.
Составление проекта бани 3х4 для постройки своими руками
Типичный план парной
Баня – одно из самых древних изобретений человека, востребованное до сих пор. Праздник или обычный день, проведенный в парной, оставит незабываемые впечатления. Сейчас почти в любом населенном пункте есть общественная баня. Строить парную у себя дома вновь стало модным.
Небольшие, компактные бани – наилучшее решение для любителей здорового отдыха. Начать следует с составления плана. Проект бани 3х4 желательно составлять самостоятельно, а не использовать готовые планы или фото, проекты на которых не отличаются оригинальностью. Это позволит создать сауну, максимально соответствующую вашим требованиям.
Планировка бани 3х4
Первым пунктом в плане проекта стоит выбор места под баню. Если вы собираетесь строить парную своими руками, лучше выбрать ровный участок земли, это значительно облегчит выполнение работ. Располагайте сауну как можно дальше от жилых помещений.
Теперь выбираем расположение комнат. Для наглядности составьте фото-план. Практически все проекты бань такого размера предполагают наличие 3 помещений: комнаты отдыха, парилки, душевой. Как правило, в душевой также находится туалет. Комната отдыха располагается сразу при входе. Парилку и душевую можно установить как слева, так и справа. Вход в парилку лучше сделать через душевую. Это будет очень удобно при отдыхе семьями. У человека появится возможность переодеться перед тем, как выйти в комнату отдыха.
Делать облицовку из деревянных срубов – своеобразная аксиома, тем более если строится баня своими руками. Однако красный кирпич тоже может красиво смотреться. Дубовые доски лучше всего подойдут для внутренней отделки. Для комнаты отдыха можно использовать фото- или обычные обои, но они быстро придут в негодность. Для душевой может подойти самоклеящаяся пленка.
Совет от мастера!
В комнате отдыха часто оборудуют пол с подогревом. Двери в парилку должны быть со стеклом или полностью из стекла, чтобы не создавалось ощущения замкнутого пространства, поскольку баня 3х4 – сооружение небольшое.
Выбор печи для бани
Главным элементом любой парилки является печь. От нее будет зависеть качество пара и самой бани в целом. При выборе следует учесть, что не все печки подойдут для небольших парилок. Чрезвычайно мощный аппарат может давать слишком много тепла и испортить пар – он будет обжигать.
Качество печи зависит от материала, из которого она изготовлена, размера топки, конструкции каменки. Эти же параметры влияют на цену. Импортные агрегаты, как правило, дороже – от 81 000 руб. Заказывать такой громоздкий предмет по интернету весьма проблематично, да и полученная печь не всегда соответствует фото на сайте продавца. Есть риск получить некачественную продукцию. Например, в 2009 году было множество прецедентов доставки б/у печей из Швеции.
В то же время существуют отечественные печи, не уступающие в качестве зарубежным аналогам, но по меньшей цене. Например, “Сударушка” отлично подойдет для бани 3 на 4.
Расположение печи зависит от обогрева предбанника. Если помещение не отапливается, печь следует устанавливать возле входа в парилку, тогда она будет обогревать и предбанник. Если помещение выходит на улицу, следует брать печь с дополнительным тоннелем, который можно отвести за пределы парилки. Каменку (отсек для камней) оградите сеткой или специальным жаростойким экраном, чтобы избежать случайных ожогов.
Совет от мастера!
В бане 3х4 дымоход нужно вывести за пределы парилки. Дверцу топки (отсека для дров) необходимо расположить в помещении предбанника, но подальше от входа. Попадание гари в парилку всегда неприятно.
poparimsya.com>
Выполнение отделочных работ
В большинстве случаев для строительства бань на дачных участках или придомовой загородной территории пользователи предпочитают использовать сруб – готовую форму, которая послужит основой для будущего сооружения. Конечно, в срубе пока будут отсутствовать мойка и парилка. Их всегда можно выделить в общем пространстве согласно намеченному проекту.
Хорошо зарекомендовал себя на практике способ отделки бани деревом изнутри. Натуральный материал является экологически чистым, хорошо держит драгоценное тепло и создает в помещении необыкновенный аромат. В качестве материалов для внутренней отделки хорошо подходят липа, сосна, дуб, осина, ясень и лиственница.
Баня 3х4 из бруса своими руками: возводим самостоятельно
Вы решили сами построить деревянную баню? Строение можно сделать из разных материалов: бруса, бревен или оцилиндрованного бревна, и у каждого способа есть свои особенности.
Баню из бруса построить проще, чем из бревен, она меньше подвержена усадке. Да и цена бруса меньше чем оцилиндрованного бревна, так что данный материал кажется приоритетным на первый взгляд. А так это или нет, мы и рассмотрим в данной статье.
На фото – готовая баня
Выбор и сортировка древесины
Древесину лучше заготавливать поздней осенью или зимой. Спиленное дерево должно «вылежаться» не меньше месяца, только потом можно приступить к его обработке.Сначала бревна очищаются от коры, при этом во избежание растрескивания, на концах бревна необходимо оставить полосы коры, шириной порядка 15 см.
Правильное хранение бруса
Совет: Если вы приобретаете брус – выбирайте материал зимней заготовки.
Для нескольких нижних венцов сруба бани лучше использовать твердые породы древесины – лиственницу или дуб, обработанные антисептиками. Они менее подвержены гниению. Последующие венцы можно изготавливать из иных хвойных пород (сосна, кедр, ель).
Сколько кубов бруса надо на баню 3х4 зависит от проекта, но обычно составляет 6 – 7 кубических метров. Особое внимание уделите процессу отбраковки материалов.
Трещины недопустимы
Дефекты бруса, с которыми нельзя мириться:
- трещины (при усадке сруба они могут расшириться, что приведет к его загниванию);
- признаки гниения на поверхности дерева (синева);
Синева свидетельствует о гниении материала
- повреждения дерева вредителями (червоточины).
На фото -червоточина
Совет: Чтобы не допустить заражения качественной древесины весь отбракованный материал надо сжечь.
Фундамент
Фундамент бани из бруса 3 на 4 может быть ленточным или столбчатым.
- Для устройства ленточного фундамента, по периметру бани выполняют опалубку на глубину, превышающую сезонное промерзание грунта, устанавливают арматуру и заливают её бетоном. Для защиты от сырости фундамент должен возвышаться на 0,5 метра над землей. Внутри периметра фундамента выполняется отсыпка из щебня или песка.
Ленточный фундамент
- Столбчатый фундамент можно выполнить из кирпича. Для этого необходимо устроить столбы в углах по периметру и местах планируемых внутренних несущих стен. Под столбы нужно сделать бетонную армированную «подушку». Между столбами расстояние должно быть порядка полутора метров.
Столбчатый фундамент
Обратите внимание. Данные варианты — это не исчерпывающая инструкция.
Возведение сруба
Устройство первого венца
- До укладки первого венца, на фундаменте устраивают гидроизоляцию из нескольких слоев рубероида с применением битумной мастики.
- Важно что бы поверхность первого венца была идеально ровной по горизонтали.
Процесс возведения
- Для предотвращения отсыревания и гниения нижних рядов брусьев укладку обвязочного венца сруба начинают с раскладки по периметру цоколя фундамента на расстоянии друг от друга 25-30 см деревянных антисептированных реек толщиной 15 мм.
- Пространство между рейками можно заполнить утеплителем или монтажной пеной.
Соединение бруса
Самый удобный способ крепления бруса между собой с применением металлических штырей или деревянных нагелей.
Соединение бруса
- Для этого первоначально венцы укладываются, выравниваются и скрепляются друг с другом деревянными нагелями или металлическими штырями.
- Забивать их необходимо в предварительно выполненные отверстия, диаметр которых равен диаметру штырей (нагелей).
- Расстояние между отверстиями должно составлять метр — полтора, причем сверло должно полностью пройти сквозь верхний брус и половину нижнего.
- Затем верхний брус временно убирается, в отверстия вбиваются штыри (нагели), и укладывается слой утеплителя для бани. После верхний брус укладывается на место.
- Два верхних венца скреплять не нужно, потому что на последнем этапе постройки их придется на время снимать для монтажа потолочных балок.
Сращивание бруса по длине
Чаще всего строители используют следующие способы сращивания:
- «торцевой притык с гребнем»;
- «косой притык»;
- «косая накладка»;
- «прямая накладка»;
- «накладка с косым прирубом».
Сращивание бруса
Совет: Если необходимо срастить брусья, метод «встык» использовать не рекомендуется.
Торцевое соединение брусьев
Чтобы избежать сквозняков в угловых соединениях, существует несколько методов выполнения замковых соединений.Ниже на картинке приведена часть вариантов торцевого соединения брусьев.
Торцевые соединения бруса.
Отделка маленькой моечной
Лучше всего отделать баню изнутри деревом. Даже если снаружи строение кирпичное, внутренние помещение, включая стены, пол и потолки рекомендуется сделать деревянными. Этот материал сделает баню по-настоящему целебным местом релаксации и отдыха, наполнит ее приятным запахом древесины.
Наиболее хорошо подходят для отделки бани следующие лесоматериалы:
- липа;
- осина;
- сосна;
- ясень;
- дуб;
- лиственница.
Если хотите при прохождении банных процедур ощущать смолистый терпкий древесный аромат, выбирайте хвойные породы к тому же еще самые полезные.
Выбор места и разметка
Разметка места
Перед началом работ нужно выбрать место под постройку бани. Здесь стоит сказать, что вариант 3×4 метра является достаточно компактным вариантом и проблем с этим возникнуть не должно. Такую баню можно поставить даже в условиях небольшого дачного участка. Единственное о чем необходимо позаботиться в любом случае – это отведение воды. Лучше всего, если сливная труба бани будет подключена к централизованной канализации, но можно обойтись и септиком или канавой, по ситуации.
К разметке места под постройку также нужно отнестись ответственно. Говоря простым языком, на площадке, предполагаемой под строительство, необходимо разметить прямоугольник 3×4 метра. Для этого можно взять, например, отрезки арматуры и какой-нибудь шнур. Сначала забиваются два куска арматуры так, чтобы расстояние между ними было равным длине большей стены и от одного из них до другого натягивается верёвка. Далее, с учетом всех необходимых размеров вбиваются еще два кола и, по аналогии обозначается внешняя сторона периметра будущего фундамента. Для того чтобы убедиться в правильности проведения работ необходимо соединить диагонально расположенные колья и сравнить длину веревок. При правильном выполнении работ диагонали совпадают. Затем, отступив от линий разметки на ширину будущего фундамента, необходимо аналогично разметить внутренний периметр.
Красивые примеры
План будущей постройки может также включать и мансардный этаж. Таким образом, появляется дополнительное место для отдыха или гостевой спальни. Лучше всего выбирать проекты с ломаной двускатной крышей, тогда возможно максимально использовать пространство верхнего яруса.
Рубленая баня из оцилиндрованного бревна с просторной открытой террасой – оптимальный вариант как для проведения времени с семьей, так и для шумной компании друзей.
Кирпичные бани выглядят солидно и привлекательно. Такие сооружения будут органично смотреться рядом с большими жилыми домами, выложенными кирпичом. Единый архитектурный ансамбль подчеркнет стиль всего участка и придаст ему законченный, ухоженный вид.
Обзор парилки и мойки в бане смотрите в следующем видео.
Настил пола
Когда стены будут готовы, нужно произвести настил пола. Для этого можно взять обрезную доску толщиной около 3–5 см. Если высота фундамента небольшая, а именно так лучше всего и сделать, то пол можно выполнить на лагах. Нельзя забывать, что деревянные материалы, которые будут использованы для внутренних поверхностей моечного помещения и тем более парной, нужно выбирать из лиственных пород древесины, кроме того, они должны быть обработаны антисептическими и водоотталкивающими составами.
















